



|
Temperature range
|
-40 ℃~﹢80 ℃
|
|
Relative humidity range
|
5 %~95 %
|
|
Altitude range
|
-500 m~﹢4000 m
|
|
Model
|
ZGG30-750(3+0)
|
|
SPD According to IEC 61643-11
|
Class Ⅱ
|
|
SPD According to EN 61643-11
|
Type 2
|
|
Max. continuous operating voltage UC
|
750 V
|
|
Operating frequency
|
50/60 Hz
|
|
Nominal discharge current In (8/20 μs)
|
15 kA
|
|
Max. discharge current Imax (8/20 μs)
|
30 kA
|
|
Voltage protection level Up
|
3.0 kV
|
|
Max. backup fuse
|
100 A gL/gG
|
|
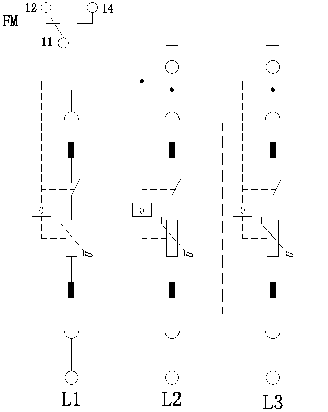
Connection mode
|
Parallel
|
|
Protection mode
|
L-PEN
|
|
Response time tA
|
≤ 25 ns
|
|
Cross-sectional Area
|
Stranded: 1.5 mm2 ~ 25 mm2
Solid: 1.5 mm2 ~ 35 mm2 |
|
Max. Cross-sectional Area For Remote signalling terminals
|
1.5 mm2
|
|
Intensity of Remote Signalling Alarm Contact
|
AC: 250 V/0.5 A 125 V/1 A DC: 30 V/0.1 A
|
|
Torque: Connecting Terminal/Remote Signalling Interface
|
2.5 N•m /0.25 N•m
|
|
Degree of Protection (IP Code)
|
IP 20
|
|
Installation system
|
TN-C
|
|
Dimensions
|
90 mm×54 mm×68 mm
(excluding remote signalling terminals) |
|
Mounting on
|
DIN 35 mm rail
|
|
Flammability
|
UL 94 V-0
|


gpk电子网址
澳门线上博彩官网
赌球平台推荐
沙巴官网
BB体育