


|
Ambient temperature
|
-40 ℃~80 ℃
|
|
Relative humidity
|
5 %~95 %
|
|
Altitude
|
-500 m~﹢4000 m
|
|
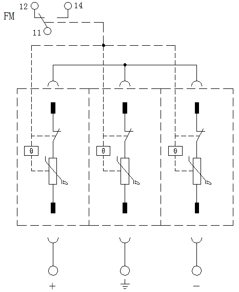
Model
|
ZGG40-1500(2+1)PV
|
|
SPD According to EN 50539-11:2013
|
Type 1; Type 2
|
|
Overload behaviour mode
|
OCM
|
|
Max. continuous operating voltage UCPV
|
1500 V DC
|
|
Rated short circuit current ISCPV
|
1 kA
|
|
Nominal discharge current In (8/20 μs)
|
15 kA
|
|
Max. discharge current Imax (8/20 μs)
|
40 kA
|
|
Impulse current Iimp (10/350 μs)
|
1 kA
|
|
Voltage protection level Up
|
4.5 kV
|
|
Connection mode
|
Parallel
|
|
Protection mode
|
+ — -; +/- — PE
|
|
Response time tA
|
≤ 25 ns
|
|
Cross-sectional area for
connection terminals to connect copper wires |
Stranded: 1.5 mm2 ~ 25 mm2
Solid: 1.5 mm2 ~ 35 mm2 |
|
Max. cross-sectional area for remote signalling terminals
|
1.5 mm2
|
|
Intensity of remote signalling alarm contact
|
AC: 250 V/0.5 A 125 V/1 A DC: 30 V/0.1 A
|
|
Torque: connecting terminal/remote signalling interface
|
2.5 N•m /0.25 N•m
|
|
Degree protection provided by enclosure (IP code)
|
IP 20
|
|
Mounting on
|
DIN 35 mm rail
|
|
Application system
|
Photovoltaic system
|
|
Dimensions
|
90 mm×54 mm×67 mm
(excluding remote signalling terminals) |
|
Mounting on
|
DIN 35 mm rail
|
|
Flammability
|
UL 94 V-0
|


乐鱼体育
澳门威尼斯人体育
bet365中文
太阳城app
美高梅娱乐城