


|
Temperature range
|
-40 ℃~+85 ℃
|
|
Relative humidity range
|
5 %~95 %
|
|
Altitude range
|
-500 m~﹢5000 m
|
|
Model
|
ZGGS40-890PV
|
|
SPD According to IEC 61643-11: 2011
|
ClassⅡ
|
|
SPD According to EN 61643-11: 2012
|
Type 2
|
|
Number of ports
|
One
|
|
Maximum continuous operating voltage Uc
|
680 V 50/60 Hz
|
|
Nominal discharge current In (8/20 μs)
|
20 kA
|
|
Max. discharge current Imax (8/20 μs)
|
40 kA
|
|
Voltage protection level UP
|
3.0 kV
|
|
Max. backup fuse
|
80 A gL/gG
|
|
Application system
|
TN; TT, IT: L-N
|
|
Response time tA
|
≤ 25 ns
|
|
Remote signalling alarming mode
|
Normal: closed; Failure: open-circuit
|
|
Intensity of remote signalling alarm contact
|
Max 30V DC, 0.1A; Min 5V DC, 0.5mA; 125V AC,1A
|
|
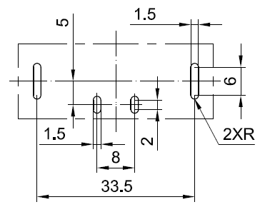
Method of mounting
|
Welding to PCB
|
|
Installation location
|
Indoor
|
|
Degree of protection
|
IP 20 (After installation)
|
|
Flammability
|
UL94 V-0
|
|
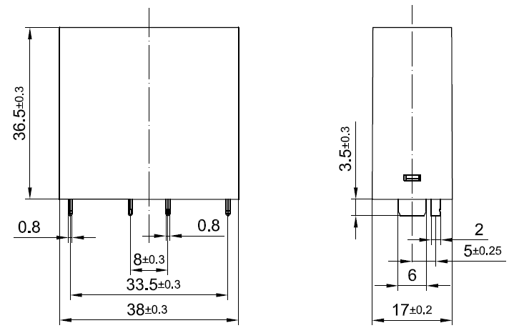
External dimensions
|
38 mm*17 mm*36.5 mm (L×W×H)
|
|
Installing form
|
Welding On board
|
|
SPD According to IEC 61643-31: 2018
|
ClassⅡ
|
|
SPD According to EN 61643-31: 2019
|
Type 2
|
|
Maximum continuous operating voltage UCPV
|
890 V DC
|
|
Short-circuit current rating ISCPV
|
1000 A
|
|
Nominal discharge current In (8/20 μs)
|
20 kA
|
|
Max. discharge current Imax (8/20 μs)
|
40 kA
|
|
Voltage protection level UP
|
3.0 kV
|
|
Response time tA
|
≤ 25 ns
|
|
Modes of protection
|
+ — -; +/- — PE
|
|
Application system
|
Photovoltaic system
|



皇冠体育网址
太阳城集团
皇冠网址
乐鱼体育
TG反波胆足球平台