ZGGS40-670PVs1

General
ZGGS40-670PVs1 Modular Power Supply SPD consists of the MOV, flame retardant housing, and metal components, characterized by fire-retardant, over-current & over heat protection, and remote signalling alarm; It is installed on the PCB board, mainly used for secondary and tertiary surge protection in low voltage AC/DC power supply and distribution system and electrical equipment.
Features
Small volume, high discharge capacity, fast response, and no follow current.
Standards Complied
IEC 61643-11: 2011 Low-voltage surge protective devices - Part 11: Surge protective devices connected to low-voltage power systems – Requirements and tests
EN 61643-11: 2012 Low-voltage surge protective devices - Part 11: Surge protective devices connected to low-voltage power systems – Requirements and tests
UL1449 Ed.4 Standard for Surge Protective Devices
EN 50539-11: 2013 Low-voltage surge protective devices -Surge protective devices for specific application including d.c. -Part 11: Requirements and tests for SPDs in photovoltaic applications
Technical Data
Operating Environment
| Temperature range |
-40 ℃~+85 ℃ |
| Relative humidity range |
5 %~95 % |
| Altitude range |
-500 m~﹢5000 m |
Technical parameters
| Model |
ZGGS40-670PVs1 |
| SPD According to IEC 61643-11: 2011 |
Class Ⅱ |
| SPD According to EN 61643-11: 2012 |
Type 2 |
| Number of ports |
One |
| Maximum continuous operating voltage Uc |
510 V AC |
| Nominal discharge current In (8/20 μs) |
20 kA |
| Max. discharge current Imax (8/20 μs) |
40 kA |
| Voltage protection level UP |
2.3 kV |
| Max. backup fuse |
80 A gL/gG |
| Response time tA |
≤ 25 ns |
| Remote signalling alarming mode |
Normal: closed; Failure: open-circuit |
| Intensity of remote signalling alarm contact |
30V DC, 0.1A; 125V AC,1A |
| Method of mounting |
Welding to PCB |
| Installation location |
Indoor |
| Application system |
TN; TT; IT: L-N |
| Degree of protection |
IP20 |
| Flammability |
UL94V-0 |
| Installing form |
Welding On board |
| SPD According to EN 50539-11: 2013 |
Type 2 |
| Maximum continuous operating voltage UCPV |
670 V DC |
| Short-circuit current rating ISCPV |
1000 A |
| Nominal discharge current In (8/20 μs) |
20 kA |
| Max. discharge current Imax (8/20 μs) |
40 kA |
| Voltage protection level UP |
2.3 kV |
| Response time tA |
≤ 25 ns |
| Modes of protection |
+ — -; +/- — PE |
| Application system |
Photovoltaic system |
Circuit Diagram
Configuration
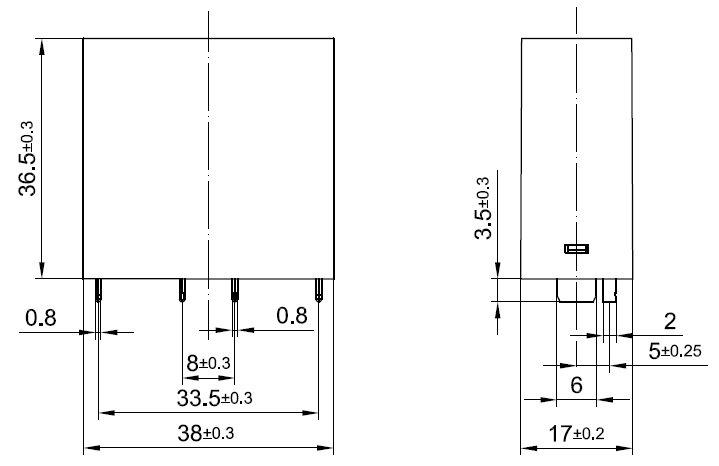
Structure size
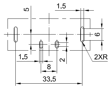
PCB-hole drilling