
|
Temperature range
|
-40 ℃~+85 ℃
|
|
Relative humidity range
|
5 %~95 %
|
|
Altitude range
|
-500 m~+3000 m
|
|
Model
|
ZGGS40-60
|
|
|
SPD According to IEC 61643-11: 2011
|
ClassⅡ
|
|
|
SPD According to EN 61643-11: 2012
|
Type2
|
|
|
Number of ports
|
One
|
|
|
Max. continuous operating voltage UC
|
60 V AC
|
80 V DC
|
|
Nominal discharge current In (8/20 μs)
|
20 kA
|
|
|
Max. discharge current Imax (8/20 μs)
|
40 kA
|
|
|
Voltage protection level Up
|
500 V
|
|
|
Response time tA
|
≤ 25 ns
|
|
|
Mode of remote signal alarm
|
Normal: closed; Failure: open-circuit
|
|
|
Contact strength of remote signal alarm port
|
30 V DC, 0.1 A; 125 V AC,1 A
|
|
|
Method of mounting
|
Welding to PCB
|
|
|
Installation location
|
Indoor
|
|
|
Degree of protection
|
IP 20 (After installation)
|
|
|
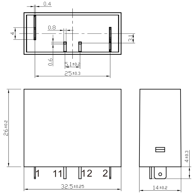
External dimensions
|
32.5 mm×14 mm×26 mm (L×W×H)
|
|
|
Flammability
|
UL94 V-0
|
|
|
Installing form
|
Welding On board
|
|



澳门威尼斯人娱乐城
mg冰球突破豪华版
韦德体育官网
世界杯投注平台
威尼斯人娱乐场