

|
Temperature range
|
–40°C to 85°C
|
|
Relative humidity range
|
5% to 95% (25°C)
|
|
Altitude range
|
–500 m to +3000 m
|
|
Model
|
ZGGS20-60f
|
|
|
SPD According to IEC 61643-11: 2011
|
Class II
|
|
|
SPD According to EN 61643-11: 2012
|
Type 2
|
|
|
SPD according to UL 1449
|
Type 4
|
|
|
Number of ports
|
One
|
|
|
Max. continuous operating voltage (Uc)
|
80 V DC
|
60 V AC
|
|
Nominal discharge current In (8/20 μs)
|
10 kA
|
|
|
Max. discharge current Imax (8/20 μs)
|
20 kA
|
|
|
Voltage protection level Up
|
≤ 400 V
|
|
|
Response time tA
|
≤ 25 ns
|
|
|
Remote signalling alarming mode
|
Normal: closed; Failure: open-circuit
|
|
|
Contact strength of remote signal alarm port
|
30 V DC, 0.1 A; 125 V AC,1 A
|
|
|
Modes of protection
|
+ — -; +/- — PE
|
|
|
Connection mode
|
PCB-board in parallel
|
|
|
Installation location
|
Indoor
|
|
|
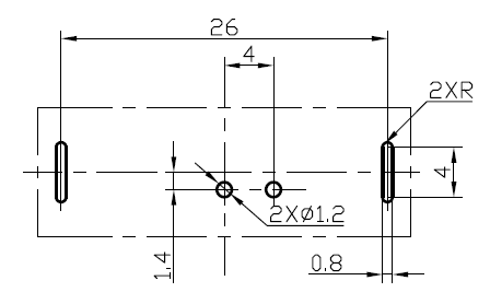
Method of mounting
|
Welded on PCB
|
|
|
Degree of protection of enclosure (IP rating)
|
IP20 (after installation)
|
|
|
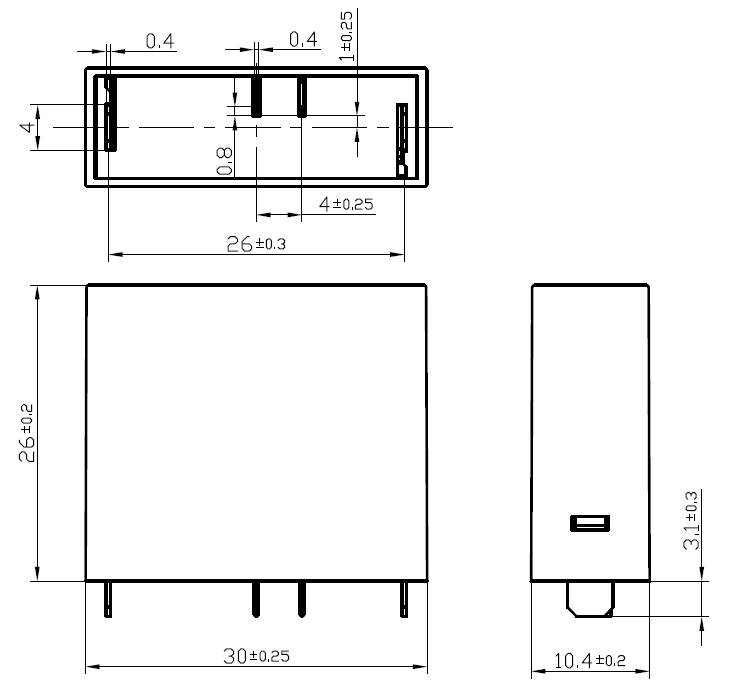
External dimensions
|
30 mm×10.4 mm×26 mm (L×W×H)
|
|
|
Flammability
|
UL94 V-0
|
|



ag亚游
立博中文版
太阳城官方网站
网赌网站
皇冠体育网址