
| 温度 | -40 ℃~+85 ℃ |
| 相对湿度 | 5%~95% (+25 ℃) |
| 海拔 | -500 m~+3000 m |
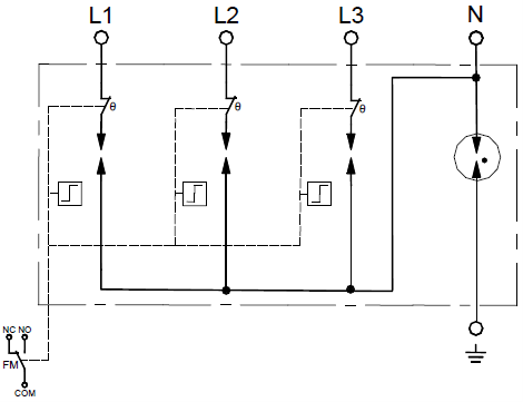
| 型号 | ZGGFB25-385(4+0)AYd | ZGGFB25-385(2+0)AYd |
| SPD 按照IEC 61643-11 | Class Ⅰ+ Class Ⅱ | |
| SPD 按照EN 61643-11 | Type 1+Type 2 | |
| 端口数量 | 一端口 | |
| 接入模式 | 并联 | |
| 被保护系统电网电压 U0(L-N 相电压) |
230 V 50/60 Hz | |
| 最大持续运行电压 Uc | 385 V 50/60 Hz | |
| 低压系统类型 | TN | |
| 保护模式 | L-PE, N-PE | |
| 标称放电电流 In(8/20 μs) | 25 kA | |
| 冲击放电电流 Iimp(10/350 μs) | 25 kA | |
| 电荷量 Q | 12.5 As | |
| 比能量 W/R | 156 kJ/Ω | |
| 电压保护水平 UP | 2.5 kV | |
| 测量限制电压 UL(at Iimp) | ≤1.0 kV (after 10 μs) | |
| 额定断开续流值 Ifi | 3 kA (at 385 V a.c.) | |
| 额定短路电流 ISCCR | 3 kA | |
| 电涌冲击耐受能力(10/350 μs) | 12.5 kA (10 次,间隔 5 min) | |
| 响应时间 tA | ≤100 ns | |
| 泄漏电流 | ≤1 mA | |
| 剩余电流 IPE | ≤1 mA | |
| 暂时过电压(TOV) | UT =442 V, tT =120 min | |
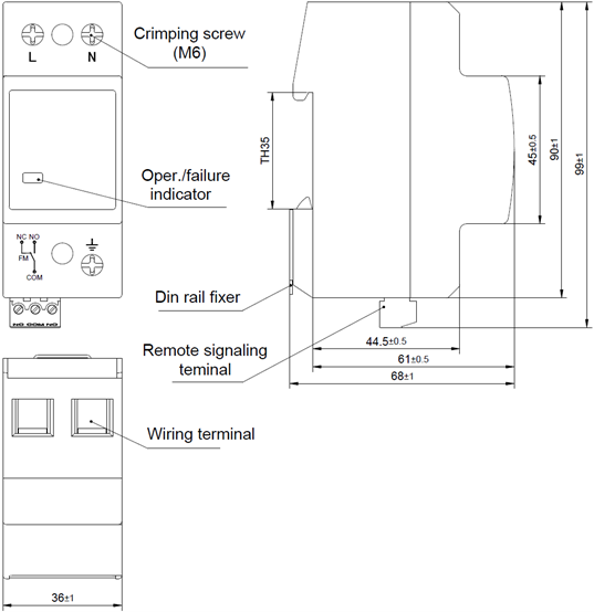
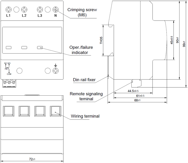
| 应用场合 | 户内 | |
| 安装方式 | 35 mm 导轨(TH 35 型,根据IEC/EN 60715) | |
| 状态指示 | Green: OK; Red: Fault | |
| 电源接线端子可夹紧导线面积 | 6 mm2~25 mm2 多芯线缆 | |
| 扭矩:接线端子/遥信接口 | 2.5 N·m/0.25 N·m | |
| 遥信接线参数 | AC: 250 V/0.5 A, 125 V/1 A; DC: 30 V/0.1 A | |
| 遥信接口可夹紧导线面积 | 0.5 mm2~1.5 mm2 | |
| 储存期 | 2 年 | |
| 质保期 | 2 年 | |
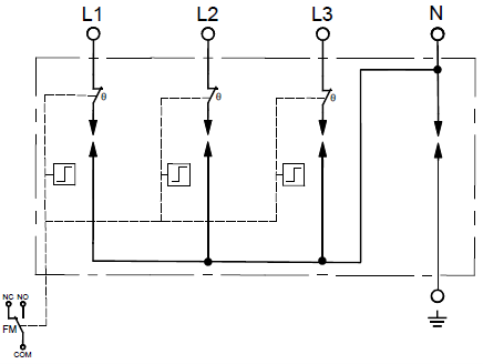
| 型号 | ZGGFB25-385(1+1)AYd1 | ZGGFB25-385(3+1)AYd1 | ZGGFB25-385(3+1)AYd |
| SPD 按照IEC 61643-11 | Class Ⅰ+ Class Ⅱ | ||
| SPD 按照EN 61643-11 | Type 1+Type 2 | ||
| 端口数量 | 一端口 | ||
| 接入模式 | 并联 | ||
| 被保护系统电网电压 U0(L-N 相电压) |
230 V 50/60 Hz | ||
| 最大持续运行电压 Uc | 385 V (L-N), 255 V (N-PE) 50/60 Hz | ||
| 低压系统类型 | TN, TT | ||
| 保护模式 | L-N, N-PE | ||
| 标称放电电流 In(8/20 μs) | 25 kA (L-N), 50 kA (N-PE) | 25 kA (L-N), 100 kA (N-PE) | |
| 冲击放电电流 Iimp(10/350 μs) |
25 kA (L-N), 50 kA (N-PE) | 25 kA (L-N), 100 kA (N-PE) | |
| 电荷量 Q | 12.5 As (L-N), 25 As (N-PE) | 12.5 As (L-N), 50 As (N-PE) | |
| 比能量 W/R | 156 kJ/Ω (L-N), 625 kJ/Ω (N-PE) | 156 kJ/Ω (L-N), 2500 kJ/Ω (N-PE) | |
| 电压保护水平 UP | 2.5 kV | ||
| 测量限制电压 UL(at Iimp) | ≤1.0 kV (after 10 μs) | ||
| 额定断开续流值 Ifi | 3 kA (at 385 V a.c.) | ||
| 额定短路电流 ISCCR | 3 kA | ||
| 电涌冲击耐受能力 (10/350 μs) |
12.5 kA (10 次,间隔 5 min) | ||
| 响应时间 tA | ≤100 ns | ||
| 泄漏电流 | ≤1 mA | ||
| 剩余电流 IPE | ≤1 mA | ||
| 暂时过电压(TOV) | UT =442 V, tT =120 min | ||
| 应用场合 | 户内 | ||
| 安装方式 | 35 mm 导轨(TH 35 型,根据 IEC/EN 60715) | ||
| 状态指示 | Green: OK; Red: Fault | ||
| 电源接线端子可夹紧导线面积 | 6 mm2~25 mm2 多芯线缆 | ||
| 扭矩: 接线端子/遥信接口 | 2.5 N·m/0.25 N·m | ||
| 遥信接线参数 | AC: 250 V/0.5 A, 125 V/1 A; DC: 30 V/0.1 A | ||
| 遥信接口可夹紧导线面积 | 0.5 mm2~1.5 mm2 | ||
| 储存期 | 2 年 | ||
| 质保期 | 2 年 | ||










亚洲十大足彩排行榜
专业的中文博彩网站
澳门新葡京娱乐
世界杯投注
世界杯下注