
| 环境温度范围 | -40 ℃~+85 ℃ |
| 相对湿度范围 | 5%~95% |
| 海拔范围 | -500 m~+5000 m |
|
型号
|
ZGG100-385(3+1)e
|
|
|
SPD根据IEC 61643-11
|
Class Ⅱ
|
|
|
SPD根据EN 61643-11
|
Type 2
|
|
|
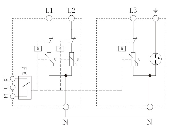
保护模式
|
L1/2/3-N
|
N-PE
|
|
最大持续运行电压 Uc
|
385 V
|
255 V
|
|
工作频率
|
50/60 Hz
|
|
|
标称放电电流 In(8/20μs)
|
50 kA
|
|
|
冲击放电电流 Imax(8/20μs)
|
100 kA
|
|
|
电压保护水平 Up
|
2.4 kV
|
2.0 kV
|
|
最大后备熔断器
|
160 A gL/gG
|
/
|
|
额定断开续流值 Ifi
|
/
|
100 Arms
|
|
响应时间 tA
|
≤25 ns
|
≤100 ns
|
|
接入方式
|
并联
|
|
|
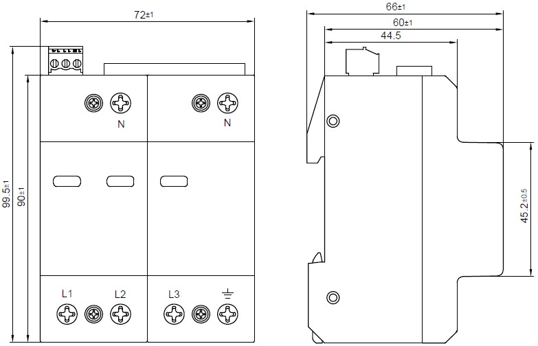
接线端子连接铜导线的截面积
|
多芯线:1.5 mm2~25 mm2,单芯线:1.5 mm2~35 mm2
|
|
|
遥信接口最大接线面积
|
1.5 mm2
|
|
|
遥信报警触点强度
|
AC:250 V/0.5 A 125 V/1 A DC:30 V/0.1 A
|
|
|
扭矩:接线端子/遥信接口
|
2.5 N•m /0.25 N•m
|
|
|
外壳防护等级(IP代码)
|
IP 20
|
|
|
应用系统
|
TN、TT
|
|
|
外形尺寸
|
99.5±1mm×72±1mm×66±1mm (L×W×H)
|
|
|
安装形式
|
35 mm 标准导轨
|
|
|
阻燃等级
|
UL 94 V-0
|
|


网上赌搏平台网址大全
世界杯买球
全球十大外围足球平台
澳门金沙博彩官网
沙巴官网平台