

| 温度 | -40 ℃~80 ℃ |
| 相对湿度 | 5 %~95 % |
| 海拔 | -500 m~﹢4000 m |
| 型号 | ZGG80-385(3+1)e | ZGG100-385(3+1)e | ZGG120-385(3+1)e |
| ZGG80-385(1+1)e | ZGG100-385(1+1)e | ZGG120-385(1+1)e | |
| SPD根据 IEC 61643-1 |
Class Ⅱ | ||
| SPD根据 EN 61643-11 |
Type 2 | ||
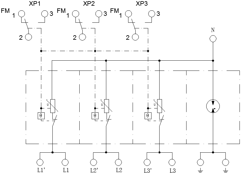
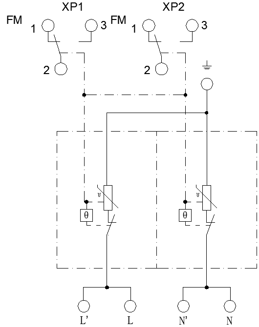
| 保护模式 | L-N, N-PE | ||
| 最大持续运行电压 Uc |
385 V(L-N); 255 V(N-PE) | ||
| 工作频率 | 50/60 Hz | ||
| 标称放电电流 In(8/20μs) |
40 kA | 50 kA | 60 kA |
| 冲击放电电流 Imax(8/20μs) |
80 kA | 100 kA | 120 kA |
| 电压保护水平 Up | 2.2 kV(L-N); 1.5 kV(N-PE) | 2.4 kV(L-N); 2.0 kV(N-PE) | 2.5 kV(L-N, N-PE) |
| 最大后备熔断器 | 250 A gL/Gg(L-N) | 315 A gL/Gg(L-N) | 400 A gL/Gg(L-N) |
| 额定断开续流值 Ifi | 100 Arms(N-PE) | ||
| 响应时间 tA | ≤25 ns(L-N); ≤100 ns(N-PE) | ||
| 接入方式 | 并联 | ||
| 接线端子连接铜导线的截面积 | 多芯线:1.5 mm2~25 mm2,单芯线:1.5 mm2~35 mm2 | ||
| 遥信接口最大接线面积 | 1.5 mm2 | ||
| 遥信报警触点强度 | AC:250 V/0.5 A 125 V/1 A DC:30 V/0.1 A | ||
| 扭矩:接线端子/遥信接口 | 2.5 N•m /0.25 N•m | ||
| 外壳防护等级 (IP代码) |
IP 20 | ||
| 应用系统 | TN、TT | ||
| 安装形式 | 35 mm 标准导轨 | ||
| 阻燃等级 | UL 94 V-0 | ||








世界杯投注
体育博彩app推荐
澳门金沙博彩官网
足球外围平台推荐
全球十大外围足球平台