


| 温度 | -40 ℃~85 ℃ |
| 相对湿度 | 5 %~95 % |
| 海拔 | -500 m~﹢5000 m |
| 型号 | ZGG40-75(1+1)hs | ZGG40-275(1+1)hs | ZGG40-320(1+1)hs | ZGG40-385(1+1)hs | ZGG40-440(1+1)hs |
| SPD根据 IEC 61643-11 |
Class Ⅰ and Class Ⅱ |
Class Ⅱ | Class Ⅱ | Class Ⅱ | Class Ⅱ |
| SPD根据 EN 61643-11 |
Type 1 and Type 2 |
Type 2 | Type 2 | Type 2 | Type 2 |
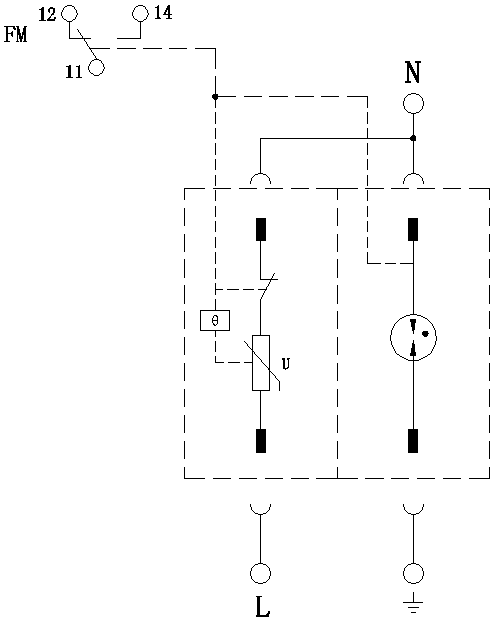
| 最大持续运行电压 Uc | L-N: 75 V AC,100 V DC ;N-PE: 150 V AC | L-N:275 V AC; N-PE:260 V AC | L-N:320 V AC; N-PE:260 V AC | L-N:385 V AC; N-PE:260 V AC | L-N:440 V AC; N-PE:260 V AC |
| 工作频率 | - | 50/60 Hz | 50/60 Hz | 50/60 Hz | 50/60 Hz |
| 标称放电电流 In(8/20μs) |
L-N:15 kA, N-PE:20 kA | 20 kA | 20 kA | 20 kA | 20 kA |
| 最大放电电流 Imax (8/20μs) |
40 kA | ||||
| 冲击放电电 Iimp(10/350μs) | L-N:4 kA | - | - | - | - |
| 电压保护水平 Up |
L-N:0.65 kV, N-PE:1 kV | L-N:1.4 kV; N-PE:1.5 kV | L-N:1.6 kV; N-PE:1.5 kV | L-N:1.8 kV; N-PE:1.5 kV | L-N:2.2 kV; N-PE:1.5 kV |
| 额定断开续流值 Ifi |
N-PE:100 Arms | ||||
| 最大后备熔断器 | 63 A gL/gG | 80 A gL/gG | 80 A gL/gG | 80 A gL/gG | 80 A gL/gG |
| 接入方式 | 并联 | ||||
| 保护模式 | L(+)-N(-), N(-)-PE | L-N、N-PE | L-N、N-PE | L-N、N-PE | L-N、N-PE |
| 响应时间 tA | L-N:≤25 ns;N-PE:≤100 ns | ||||
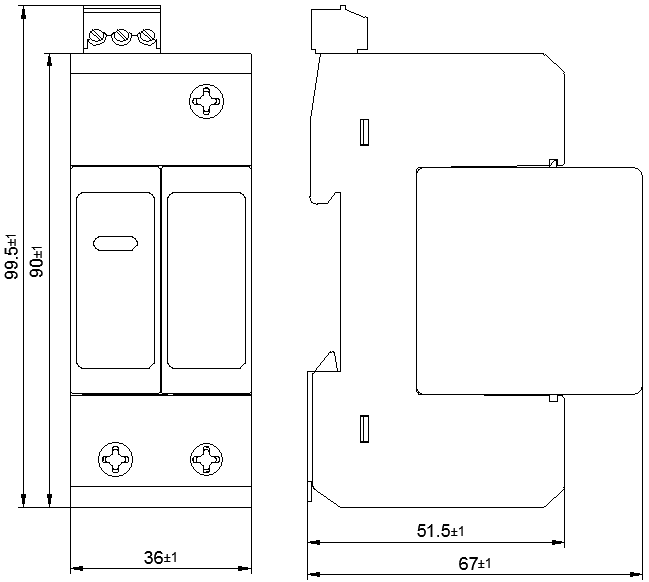
| 接线端子连接铜导线的截面积 | 多芯线:1.5 mm2~25 mm2,单芯线:1.5 mm2~35 mm2 | ||||
| 遥信接口最大接线面积 | 1.5 mm2 | ||||
| 遥信报警触点强度 | AC: 250 V/0.5 A 125 V/1 A DC: 30 V/0.1 A | ||||
| 扭矩:接线端子/遥信接口 | 2.5 N•m /0.25 N•m | ||||
| 外壳防护等级 (IP代码) |
IP 20 | ||||
| 应用系统 | TN、TT | TT、TN | TT、TN | TT、TN | TT、TN、IT |
| 安装形式 | 35 mm 标准导轨 | ||||
| 阻燃等级 | UL 94 V-0 | ||||

mg冰球突破豪华版下载
澳门太阳城官网
皇冠体育博彩网址
雷火电竞官方网站
十大在线博彩