


| 温度 | -40 ℃~80 ℃ |
| 相对湿度 | 5 %~95 % |
| 海拔 | -500 m~﹢4000 m |
| 型号 | ZGG40-150(3+0)hs | ZGG40-275(3+0)hs | ZGG40-320(3+0)hs | ZGG40-385(3+0)hs | ZGG40-440(3+0)hs |
| SPD根据 IEC 61643-1 |
Class Ⅱ | ||||
| SPD根据 EN 61643-11 |
Type 2 | ||||
| 最大持续运行电压 Uc | 150 V AC | 275 V AC | 320 V AC | 385 V AC | 440 V AC |
| 工作频率 | 50/60 Hz | ||||
| 标称放电电流 In(8/20 μs) |
20 kA | ||||
| 最大放电电流 Imax(8/20 μs) |
40 kA | ||||
| 电压保护水平 Up | 1.0 kV | 1.4 kV | 1.6 kV | 1.8 kV | 2.2 kV |
| 最大后备熔断器 | 80 A gL/gG | ||||
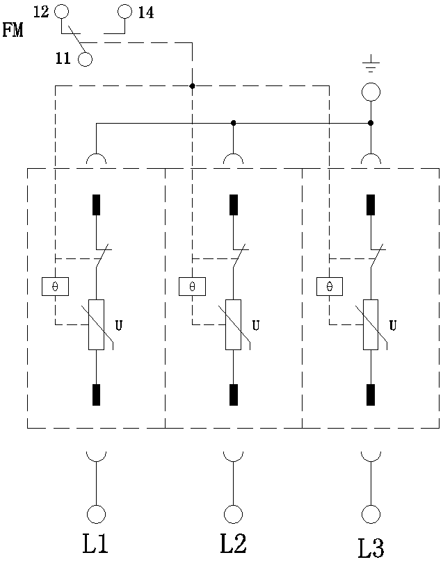
| 接入方式 | 并联 | ||||
| 保护模式 | L-PEN | ||||
| 响应时间 tA | ≤25 ns | ||||
| 接线端子连接铜导线的截面积 | 多芯线:1.5 mm2~25 mm2,单芯线:1.5 mm2~35 mm2 | ||||
| 遥信接口最大接线面积 | 1.5 mm2 | ||||
| 遥信报警触点强度 | AC:250 V/0.5 A 125 V/1 A DC:30 V/0.1 A | ||||
| 扭矩:接线端子/遥信接口 | 2.5 N•m /0.25 N•m | ||||
| 外壳防护等级 (IP代码) |
IP20 | ||||
| 应用系统 | TN-C | ||||
| 安装形式 | 35 mm 标准导轨 | ||||
| 阻燃等级 | UL94 V-0 | ||||


专业的中文博彩网站
澳门太阳城app
美高梅博彩
十大正规赌博平台大全
澳门金沙娱乐城官网