


| 温度 | -40 ℃~80 ℃ |
| 相对湿度 | 5 %~95 % |
| 海拔 | -500 m~﹢4000 m |
| 型号 | ZGG40-275(3+1)hs | ZGG40-320(3+1)hs | ZGG40-385(3+1)hs | ZGG40-440(3+1)hs |
| SPD根据 IEC 61643-11 |
Class Ⅱ | |||
| SPD根据 EN 61643-11 |
Type 2 | |||
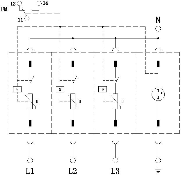
| 最大持续运行电压 Uc | L-N:275 V AC N-PE:260 V AC |
L-N:320 V AC N-PE:260 V AC |
L-N:385 V AC N-PE:260 V AC |
L-N:440 V AC N-PE:260 V AC |
| 工作频率 | 50/60 Hz | |||
| 标称放电电流 In(8/20 μs) |
20 kA | |||
| 最大放电电流 Imax(8/20 μs) |
40 kA | |||
| 电压保护水平 Up |
L-N:1.4 kV N-PE:1.5 kV |
L-N:1.6 kV N-PE:1.5 kV |
L-N:1.8 kV N-PE:1.5 kV |
L-N:2.2 kV N-PE:1.5 kV |
| 额定断开续流值 Ifi |
N-PE:100 Arms | |||
| 最大后备熔断器 | 80 A gL/gG | |||
| 接入方式 | 并联 | |||
| 保护模式 | L-N、N-PE | |||
| 响应时间 tA | L-N:≤25 ns;N-PE:≤100 ns | |||
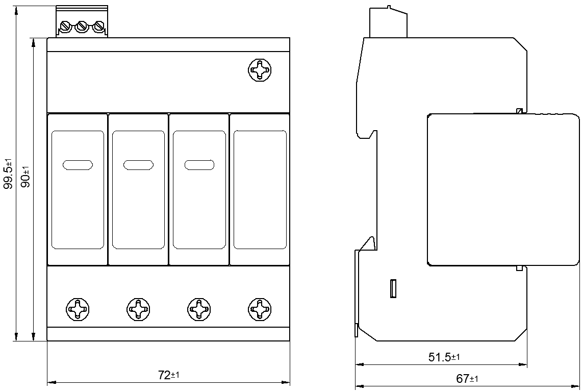
| 接线端子连接铜导线的截面积 | 多芯线:1.5 mm2~25 mm2,单芯线:1.5 mm2~35 mm2 | |||
| 遥信接口最大接线面积 | 1.5 mm2 | |||
| 遥信报警触点强度 | AC: 250 V/0.5 A 125 V/1 A DC: 30 V/0.1 A | |||
| 扭矩:接线端子/遥信接口 | 2.5 N•m /0.25 N•m | |||
| 外壳防护等级 (IP代码) |
IP 20 | |||
| 应用系统 | TT、TN | TT、TN | TT、TN | TT、TN、IT |
| 安装形式 | 35 mm标准导轨 | |||
| 阻燃等级 | UL94 V-0 | |||


2026世界杯下注平台
澳门新葡京博彩官网
足球外围平台推荐
世界杯买球
沙巴体育