皇冠体育

皇冠体育博彩
产品指南

概述                                                                                 
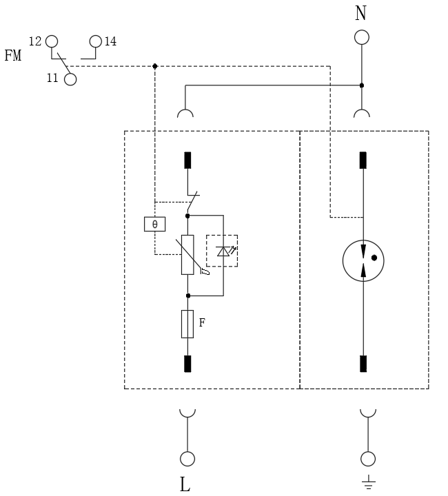
由压敏电阻型电源模块、气体放电管型电源模块和底座组成,用于L-N、N-PE的第二级保护。该电源模块电涌保护器具有内置熔断器,无需外置后备熔断器,节省安装空间。

特点                                                                                 
1. 插拔模块具有防反插、互插功能。
2. 无需配置后备熔断器。
3. 通流量大,残压低。
4. 具有过热、过流保护。
5. 具有失效指示和集中遥信报警干接点。
6. 外壳防护等级为IP20,阻燃等级为UL94 V-0。

执行标准                                                                             
IEC 61643-11:2011   低压电涌保护器(SPD)第11部分:低压电力系统的电涌保护器性能要求和试验方法。

技术数据
使用环境
温度 -40℃~80℃
相对湿度 不大于95%(25℃)
海拔 -500m~4000m 
技术指标
型号 ZGGB40-385(1+1)
SPD根据 IEC 61643-1 /11 Class Ⅱ
SPD根据 EN 61643-11 Type 2
保护模式 L-N N-PE
最大持续运行电压 Uc   385 V AC 255 V AC
工作频率 50/60 Hz
标称放电电流 In(8/20μs) 20 kA
最大放电电流 Imax(8/20μs) 40 kA
电压保护水平 Up  2.0 kV 1.5 kV
额定断开续流值 Ifi  / 100 Arms
接入方式 并联
保护模式 L/N-PE
响应时间 tA ≤25 ns
接线端子连接铜导线的截面积 多芯线:1.5 mm2~25 mm2,单芯线:1.5 mm2~35 mm2
遥信接口连接铜导线的截面积 0.5 mm2~1.5 mm2
遥信报警触点强度 AC:125 V/0.5 A    DC:30 V/0.1 A
扭矩:接线端子/遥信接口 2.5/0.25 Nm
外壳防护等级(IP代码) IP 20
应用系统 TT,TN
外形尺寸 90 mm×36 mm×76 mm(不包含遥信端子)
安装形式 35 mm 标准导轨
阻燃等级 UL94 V-0

电路原理示意图  


 
外型结构  
LOL竞猜 bet9九卅娱乐在线登录 沙巴体育博彩 美高梅娱乐城 皇冠投注