皇冠体育

皇冠体育
产品指南

概述                                                                                 
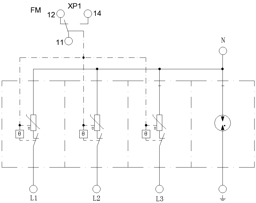
由汇流排将压敏电阻模块浪涌保护器和气体放电管模块浪涌保护器连接而成,具有L-PE的保护模式。该电源模块电涌保护器应用于低压交流配电系统,并联在交流供电电源与系统设备之间,防护外界(雷击、电磁辐射干扰等)或系统内部(系统拉合闸效应、感应及 容性负载的启动和停止等)引起的浪涌脉冲及瞬间过电压对设备的损坏。 

特点                                                                                 
1. 通流量大,残压低。
2. 具有过热保护。
3. 具有失效指示和遥信报警干接点。
4. 外壳防护等级为IP 20,阻燃等级为UL94 V-0。

执行标准                                                                             
IEC 61643-11:2011 低压电涌保护器(SPD)第11部分:低压电力系统的电涌保护器性能要求和试验方法。
EN 61643-11:2012 低压电涌保护器(SPD)第11部分:低压电力系统的电涌保护器性能要求和试验方法。

技术数据                                                                             
使用环境
温度 -40 ℃~80 ℃
相对湿度 5 %~95 %
海拔 -500 m~﹢4000 m
技术指标
型号 ZGG40-1000(3+1)
SPD根据 IEC 61643-1 Class Ⅱ
SPD根据 EN 61643-11 Type 2
最大持续运行电压 Uc  L-N:1000 V AC;N-PE:255 V AC
标称放电电流 In(8/20 μs) L-N:20 kA;N-PE:100 kA
最大放电电流 Imax(8/20 μs) L-N:40 kA;N-PE:160 kA
电压保护水平 Up  L-N:4 kV;N-PE:2.5 kV;L-PE:5.5 kV
最大后备熔断器 80 A gL/gG 
泄漏电流   ≤ 20 μA
接入方式 并联
保护模式 L-PE
响应时间 tA ≤ 100 ns
接线端子连接铜导线的截面积 多芯线:1.5 mm2~25 mm2,单芯线:1.5 mm2~35 mm2
遥信接口最大接线面积 1.5 mm2
遥信报警触点强度 AC:250 V/0.5 A   125 V/1 A    DC:30 V/0.1 A
扭矩:接线端子/遥信接口  2.5 N•m /0.25 N•m
外壳防护等级(IP代码) IP 20
应用系统 TN、TT、IT
外形尺寸 90 mm×144 mm×68 mm(不包含遥信端子)
安装形式 35 mm 标准导轨
阻燃等级 UL94 V-0
 
电路原理示意图                                                                       


 
外型结构     
   
澳门威尼斯人app 太阳城娱乐官网 买球app 澳门银河娱乐官网 IM体育平台