皇冠体育

皇冠体育
产品指南
 

概述                                                                                 
由压敏电阻型电源模块、气体放电管型电源模块和底座组成,用于L-PE的第二级保护。

特点                                                                                 
1. 插拔模块具有防反插、防互插功能。
2. 通流量大,残压低。
3. 具有过热保护。
4. 具有失效指示和集中遥信报警干接点。
5. 外壳防护等级为IP20,阻燃等级为UL 94 V-0。

执行标准                                                                             
IEC 61643-11:2011 低压电涌保护器(SPD)第11部分:低压电力系统的电涌保护器性能要求和试验方法。
EN 61643-11:2012 低压电涌保护器(SPD)第11部分:低压电力系统的电涌保护器性能要求和试验方法。

技术数据                                                                             
使用环境
温度范围 -40 ℃~80 ℃
相对湿度范围 5 %~95 %
海拔范围 -500 m~﹢4000 m
技术指标
型号 ZGG40-850(3+1)f
SPD根据 IEC 61643-1 Class Ⅱ
SPD根据 EN 61643-11 Type 2
最大持续运行电压 Uc  850 V AC
工作频率 50/60 Hz
标称放电电流 In(8/20 μs) 20 kA
最大放电电流 Imax(8/20 μs) 40 kA
电压保护水平 Up  4.0 kV
最大后备熔断器 80 A gL/gG 
接入方式 并联
保护模式 L-PE
响应时间 tA ≤ 100 ns
接线端子连接铜导线的截面积 多芯线:1.5 mm2~25 mm2,单芯线:1.5 mm2~35 mm2
遥信接口最大接线面积 1.5 mm2
遥信报警触点强度 AC:250 V/0.5 A   125 V/1 A    DC:30 V/0.1 A
扭矩:接线端子/遥信接口  2.5 N•m /0.25 N•m
外壳防护等级(IP代码) IP 20
应用系统 TN、TT、IT
外形尺寸 90 mm×72 mm×68 mm(不包含遥信端子)
安装形式 35 mm 标准导轨
阻燃等级 UL94 V-0

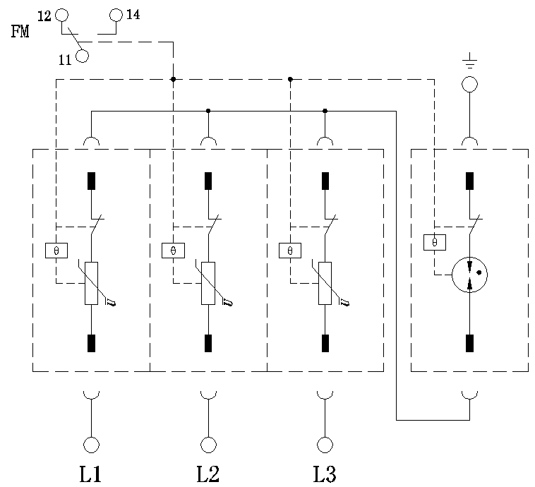
电路原理示意图                                                                       
外型结构  


威尼斯人娱乐城 在线博彩 皇冠体育 博彩365 十大彩票游戏平台