皇冠体育

皇冠体育博彩
产品指南

概述                                                                                 
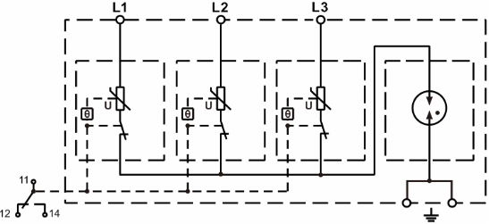
由压敏电阻模块和气体放电管模块组成,具有L-PE的保护模式。应用于低压交流配电系统,并联在交流供电电源与系统设备之间,防护外界(雷击、电磁辐射干扰等)或系统内部(系统拉合闸效应、感应及容性负载的启动和停止等)引起的浪涌脉冲及瞬间过电压对设备的损坏。

特点                                                                                 
1. 通流量大,残压低。
2. 具有过热保护。
3. 具有失效指示和集中遥信报警干接点。
4. 外壳防护等级为IP 20,阻燃等级为UL 94 V-0。

执行标准                                                                             
IEC 61643-11:2011 低压电涌保护器(SPD)第11部分:低压电力系统的电涌保护器性能要求和试验方法。
EN 61643-11:2012 低压电涌保护器(SPD)第11部分:低压电力系统的电涌保护器性能要求和试验方法。

技术数据                                                                             
使用环境
温度范围 -40 ℃~80 ℃
相对湿度范围 5 %~95 %
海拔范围 -500 m~﹢4000 m
技术指标
型号 ZGG30-1260(3+1)Zf
SPD根据 IEC 61643-11 Class Ⅱ
SPD根据 EN 61643-11 Type 2
最大持续运行电压 Uc  1260 V AC
工作频率 50/60 Hz
标称放电电流 In(8/20 μs) 15 kA
最大放电电流 Imax(8/20 μs) 30 kA
总放电电流 ITotal(8/20 μs)  100 kA
冲击击穿电压(1 kV/ us) ≥ 2.2 kV
电压保护水平 Up  5 kV
最大后备熔断器 63 A gL/gG 
接入方式 并联
保护模式 L-PE
响应时间 tA ≤ 100 ns
接线端子连接铜导线的截面积 多芯线:1.5 mm2~25 mm2,单芯线:1.5 mm2~35 mm2
遥信接口最大接线面积 1.5 mm2
遥信报警触点强度 AC:250 V/0.5 A   125 V/1 A    DC:30 V/0.1 A
扭矩:接线端子/遥信接口 2.5 N•m /0.25 N•m
外壳防护等级(IP代码) IP 20
外形尺寸 144 mm×90 mm×65.5 mm(不包含遥信端子)
安装形式 35 mm 标准导轨
阻燃等级 UL94 V-0

电路原理示意图                                                                       

 
外型结构 


世界杯下注 全球十大外围足球平台 足球外围平台 沙巴体育官网 世界杯投注官网,世界杯压球网站