皇冠体育

皇冠体育博彩
产品指南
 


概述                                                                                 
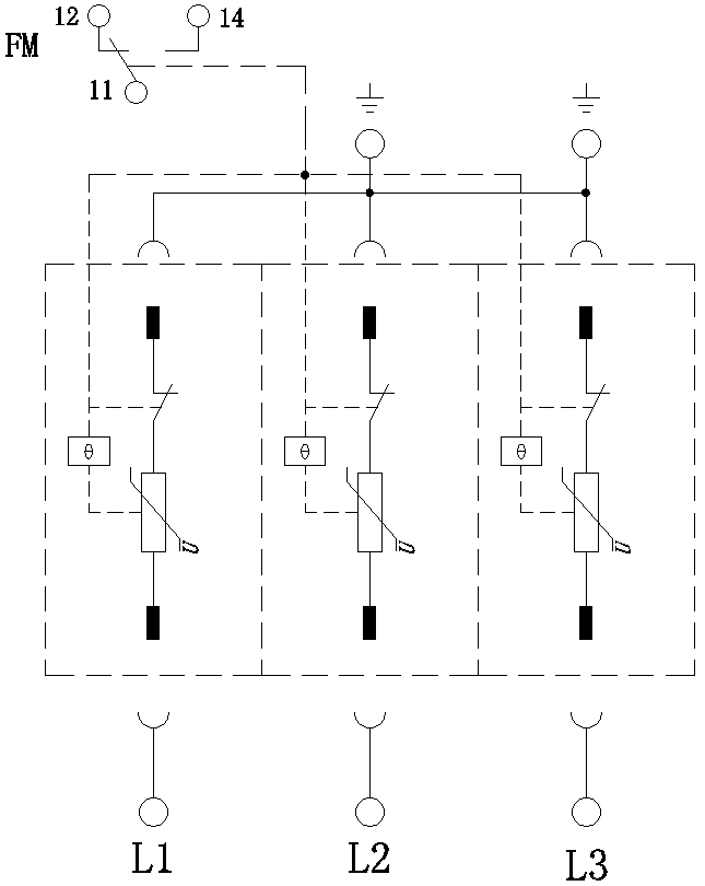
由压敏电阻型电源模块和底座组成,分别用于L-PEN的第二级保护。

特点                                                                                 
1. 插拔模块具有防反插功能。
2. 通流量大,残压低。
3. 具有过热保护。
4. 具有失效指示和集中遥信报警干接点。
5. 外壳防护等级为IP 20,阻燃等级为UL 94 V-0。

执行标准                                                                             
UL1449 浪涌保护器安全标准。
IEC 61643-11:2011 低压电涌保护器(SPD)第11部分:低压电力系统的电涌保护器性能要求和试验方法。
EN 61643-11:2012 低压电涌保护器(SPD)第11部分:低压电力系统的电涌保护器性能要求和试验方法。

技术数据
使用环境
温度范围 -40 ℃~﹢80 ℃
相对湿度范围 5 %~95 %
海拔范围 -500 m~﹢4000 m
技术指标
型号 ZGG30-750(3+0)
SPD根据 IEC 61643-1 Class Ⅱ
SPD根据 EN 61643-11 Type 2
最大持续运行电压 Uc  750 V
工作频率 50/60 Hz
标称放电电流 In(8/20 μs ) 15 kA
最大放电电流 Imax(8/20 μs) 30 kA
电压保护水平 Up  3.0 kV
最大后备熔断器 100 A gL/gG 
接入方式 并联
保护模式 L-PEN
响应时间 tA ≤ 25 ns
接线端子连接铜导线的截面积 多芯线:1.5 mm2~25 mm2,单芯线:1.5 mm2~35 mm2
遥信接口最大接线面积 1.5 mm2
遥信报警触点强度 AC: 250 V/0.5 A   125 V/1 A    DC: 30 V/0.1 A
扭矩:接线端子/遥信接口 2.5 N•m /0.25 N•m
外壳防护等级(IP代码 ) IP 20
应用系统 TN-C
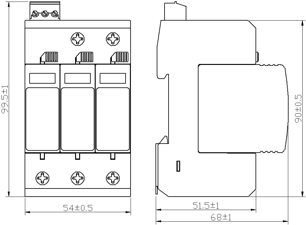
外形尺寸 90 mm×54 mm×68 mm(不包含遥信端子)
安装形式 35 mm 标准导轨
阻燃等级 UL 94 V-0

电路原理示意图                                                                       


 
外型结构         


沙巴体育安卓版下载 澳门威尼斯人体育 亚洲博彩平台排名 森林舞会游戏下载 BOB体育