皇冠体育

皇冠体育
产品指南

概述                                                                                 
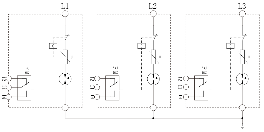
由三组ZGGH12.5-760T电源模块电涌保护器组成,应用于低压交流配电系统中,并联在交流电源与设备之间。它能防止设备受到外界环境(如雷电、电磁干扰等)或系统(如系统的开关效应、电感和电容负载的启动或关闭等)引起的冲击浪涌和瞬态过电压的影响。

特点                                                                                 
1. 通流量大,残压低。
2. 具有过热保护。
3. 具有失效指示和集中遥信报警干接点。
4. 无续流,无漏流。

执行标准                                                                            
IEC 61643-11:2011 低压电涌保护器(SPD)第11部分:低压电力系统的电涌保护器性能要求和试验方法。
EN 61643-11:2012 低压电涌保护器(SPD)第11部分:低压电力系统的电涌保护器性能要求和试验方法。

技术数据
使用环境
温度范围  -40 ℃~+80 ℃
相对湿度范围 5 %~95 %
海拔范围 -500 m~+4000 m
技术指标
型号 ZGGH12.5-760(3+0)T
SPD根据 IEC 61643-1 ClassⅠ
SPD根据 EN 61643-11 Type 1
最大持续运行电压 Uc 760 V AC
工作频率 50/60 Hz
冲击放电电流 Iimp(10/350 μs) 12.5 kA
比能量 W/R 39 kJ/Ω
电压保护水平 Up 3.5 kV
最大后备熔断器 160 A gL/gG 
接入方式 并联
保护模式 L-PE(N)
响应时间 tA ≤ 100 ns
接线端子连接铜导线的截面积 多芯线:1.5 mm2~25 mm2,单芯线:1.5 mm2~35 mm2
遥信接口最大接线面积 1.5 mm2
遥信报警触点强度 AC:250 V/0.5 A   125 V/1 A    DC:30 V/0.1 A
扭矩:接线端子/遥信接口 2.5 N•m /0.25 N•m
外壳防护等级(IP代码) IP 20
应用系统 TN-C、TT、IT
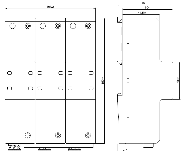
外形尺寸 150 mm×108 mm×67 mm(L×W×H)(不包含遥信端子)
安装形式 DIN 35 mm 标准导轨
阻燃等级 UL 94 V-0

电路原理示意图                                                         


 
外形结构
威尼斯人娱乐城官网 澳门美高梅博彩官网 十大正规赌博平台大全 威尼斯人娱乐城官网 世界杯买球