皇冠体育

皇冠体育博彩
产品指南
 

概述                                                                                 
由电源模块头和底座组成,用于直流系统+ — -、- — PE的第二或三级保护,串联或者并联在直流供电电源与系统设备之间,防护外界(雷击、电磁辐射干扰等)或系统内部(系统拉合闸效应、感应及容性负载的启动和停止等)引起的浪涌脉冲及瞬间过电压对设备的损坏。 

特点                                                                                 
1. 插拔模块具有防反插、互插功能。
2. 残压低。
3. 具有过热保护。
4. 具有失效指示和集中遥信报警干接点。
5. 外壳防护等级为IP20,阻燃等级为UL 94 V-0。

执行标准                                                                             
IEC 61643-11:2011 低压电涌保护器(SPD)第11部分:低压电力系统的电涌保护器性能要求和试验方法。
EN 61643-11:2012 低压电涌保护器(SPD)第11部分:低压电力系统的电涌保护器性能要求和试验方法。

技术数据
使用环境
温度 -40 ℃~85 ℃
相对湿度 5 %~95 %
海拔高度 -500 m~+4000 m
技术指标
型号 ZGGH10-24
SPD根据 IEC 61643-1 Class Ⅱ,Class Ⅲ
SPD根据 EN 61643-11 Type 2,Type 3
最大持续运行电压 Uc  +— -:45 V DC; -—PE:0 V
标称放电电流 In(8/20  μs) 5 kA
最大放电电流 Imax(8/20 μs) 10 kA
电压保护水平 Up  + — -: 280 V;- — PE:800 V
复合波 Uoc 10 kV
额定负载电流 IL 25 A
最大后备熔断器 25 A gL/gG 
接入方式 串联、并联
保护模式 + - -; - - PE
响应时间 tA + - -: ≤25 ns;  - - PE: ≤100 ns
接线端子连接铜导线的截面积 多芯线:0.2 mm2~2.5 mm2,单芯线:0.2 mm2~4 mm2
遥信接口最大接线面积 2.5 mm2
遥信报警触点强度 AC:250 V/0.75 A   125 V/3 A    DC:30 V/2 A
扭矩:接线端子/遥信接口 0.5 N•m
外壳防护等级(IP代码) IP 20
应用系统 直流系统
外形尺寸 90 mm×18 mm×69 mm(不包含遥信端子)
安装形式 35 mm 标准导轨
阻燃等级 UL94 V-0

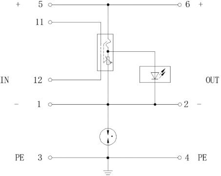
电路原理示意图                                                                     

 
外形结构       
 
世界杯买球 世界杯投注 世界杯投注官网,世界杯压球网站 威尼斯人网上赌场 十大正规赌博平台大全