皇冠体育

皇冠体育
产品指南
 


概述                                                                                 
并联在直流电源系统或光伏发电系统中,可用于光伏发电站中逆变器的第二级防护。内部采用压敏电阻作为防护元件,同时内部具有防止过热、过流的安全脱离机构,来确保产品出现故障时,安全熄灭直流电弧,保证产品不出现燃烧等事故。在没有电涌时,SPD具有高阻抗,当出现电涌电流和过电压时,SPD将以≤25ns的速度响应、阻抗持续的减小,将SPD两端的电压限制在一个较低的水平,从而达到防止雷电过电压(直接雷击过电压、感应雷电过电压等)、操作过电压(电气装置内任何开关动作、故障开始、中断等产生的过电压)和暂时过电压(低压配电系统的故障、电容器动作和电动机停机、启动等产生的过电压)对设备的损坏。

特点                                                                                 
1. 插拔模块具有防反插功能。
2. 通流量大,残压低,安全可靠性高。
3. 具有过热保护。
4. 具有失效指示和集中遥信报警干接点。
5. 外壳防护等级为IP 20,阻燃等级为UL94 V-0。

执行标准                                                                             
EN 50539-11:2013 低压电涌保护器:包括直流的特殊应用的电涌保护器(SPD)第11部分:用于光伏系统的电涌保护器的性能要求和测试方法。

技术数据                                                                             
使用环境
环境温度 -40 ℃~80 ℃
相对湿度 5 %~95 %
海拔 -500 m~﹢4000 m
技术指标
型号 ZGG40-1000(2+1)PV
SPD根据 EN 50539-11:2013 Type 2
过载特性模式 开路模式
最大持续运行电压 UCPV  1200 V DC
额定短路电流 ISCPV 1000 A
标称放电电流 In(8/20μs) 20 kA
最大放电电流 Imax(8/20μs) 40 kA
电压保护水平 Up  4.0 kV
残流 IPE DC:≤ 20 μA; AC:≤ 500 μA
接入方式 并联
保护模式 + — -、+/- —PE
响应时间 tA ≤ 25 ns
接线端子连接铜导线的截面积 多芯线:1.5 mm2~25 mm2,单芯线:1.5 mm2~35 mm2
遥信接口最大接线面积 1.5 mm2
遥信报警触点强度 AC:250 V/0.5 A   125 V/1 A    DC:30 V/0.1 A
扭矩:接线端子/遥信接口 2.5 N•m /0.25 N•m
外壳防护等级(IP代码) IP 20
应用系统 光伏系统
外形尺寸 90 mm×54 mm×67 mm(不包含遥信端子)
安装形式 35 mm 标准导轨
阻燃等级 UL94 V-0

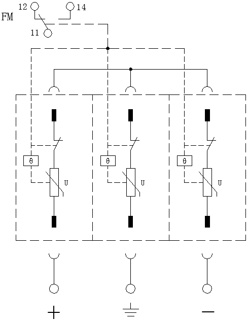
电路原理示意图                                                                       

外型结构   
足彩平台 世界杯投注 亚洲博彩网站 澳门银河娱乐城 2026世界杯下注平台