概述
ZGGS40-890PV 型电源模块浪涌保护器主要由MOV、阻燃壳体及金属构件构成,具有阻燃、过流、过热保护和遥信报警等功能,PCB板载安装方式,主要用于低压交直流供配电系统与用电设备的第二级、三级电涌保护。
特点
体积小、通流量大、响应时间快和无续流。
执行标准
IEC 61643-11:2011 低压电涌保护器(SPD)第11部分:低压电力系统的电涌保护器性能要求和试验方法。
EN 61643-11:2012 低压电涌保护器(SPD)第11部分:低压电力系统的电涌保护器性能要求和试验方法。
IEC 61643-31:2018 低压电涌保护器 特殊应用(含直流)的电涌保护器(SPD)——第 31部分:用于光伏系统的电涌保护器(SPD) 性能要求和试验方法。
EN 61643-31:2019 低压电涌保护器 特殊应用(含直流)的电涌保护器(SPD)——第 31部分:用于光伏系统的电涌保护器(SPD)性能要求和试验方法。
技术数据
使用环境
| 环境温度范围 |
-40℃~+85℃ |
| 相对湿度范围 |
5%~95% |
| 海拔范围 |
-500 m~+5000 m |
技术指标
| 型号 |
ZGGS40-890PV |
| SPD根据 IEC 61643-11:2011 |
Class Ⅱ |
| SPD根据 EN 61643-11:2012 |
Type 2 |
| 端口数量 |
一端口 |
| 最大持续运行电压 Uc |
680 V AC |
| 工作频率 |
50/60 Hz |
| 标称放电电流 In(8/20μs) |
20 kA |
| 最大放电电流 Imax(8/20μs) |
40 kA |
| 电压保护水平 Up |
3.0 kV |
| 最大后备熔断器 |
80 A gL/gG |
| 响应时间 tA |
≤ 25 ns |
| 本地状态指示 |
正常:绿色;失效:红色 |
| 遥信告警方式 |
正常:常闭;失效:开路 |
| 遥信告警端口触点强度 |
Max 30 V DC, 0.1 A;Min 5 V DC,0.5 mA;125 V AC,1 A |
| 接入方式 |
PCB板载并联 |
| 应用场合 |
室内 |
| 应用系统 |
TN;TT、IT:L-N |
| 外形尺寸 |
38 mm×36.5 mm×17 mm(L×W×H) |
| 外壳防护等级 |
IP 20(安装后) |
| 外壳材料 |
UL94 V-0 |
| 安装方式 |
板载 |
| SPD根据 IEC 61643-31:2018 |
ClassⅡ |
| SPD根据 EN 61643-31:2019 |
Type 2 |
| 最大持续运行电压 Ucpv |
890 V DC |
| 额定短路电流 Iscpv |
1000 A |
| 标称放电电流 In(8/20μs) |
20 kA |
| 最大放电电流 Imax(8/20μs) |
40 kA |
| 电压保护水平 Up |
3.0 kV |
| 响应时间 tA |
≤ 25 ns |
| 保护模式 |
+ — -, +/- —PE |
| 应用系统 |
光伏系统 |
电路原理示意图
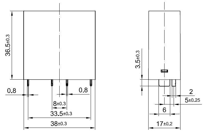
外型结构尺寸
结构尺寸图

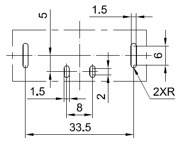
PCB 开孔参考图