皇冠体育

皇冠体育
产品指南

概述                                                                                 
ZGGS20-60f 型电源模块浪涌保护器主要用于低压供配电系统及用电设备的第三级保护,由MOV、阻燃壳体及金属构件构成,PCB板载安装方式,具有阻燃、过流和过热保护、遥信报警等功能。

特点                                                                              
体积小、通流量大、响应时间快、无续流、遥信报警功能。

执行标准                                                                             
IEC 61643-11:2011  低压电涌保护器(SPD)第11部分:低压电力系统的电涌保护器性能要求和试验方法。
EN 61643-11:2012  低压电涌保护器(SPD)第11部分:低压电力系统的电涌保护器性能要求和试验方法。
UL1449 Ed.4 电涌保护器安全标准

技术数据                                                                             
使用环境
环境温度范围 -40 ℃~﹢85 ℃
相对湿度范围 5 %~95 %
海拔范围 -500 m~﹢3000 m
技术指标
型号 ZGGS20-60f
SPD根据 IEC 61643-11:2011 Class II
SPD根据 EN 61643-11:2012 Type 2
SPD根据 UL 1449 Type 4
端口数量 One
最大持续运行电压 Uc  80 V DC 60 V AC
标称放电电流 In(8/20μs) 10 kA
最大放电电流 Imax(8/20μs) 20 kA
电压保护水平 Up  ≤ 400 V
响应时间 tA ≤ 25 ns
遥信告警方式 正常:常闭;失效:开路
遥信告警端口触点强度 30 V DC,0.1 A;125 V AC,1 A
保护模式 + — -, +/- —PE
接入方式 PCB板载并联
应用场合 室内
安装方式 PCB板载
外壳防护等级 IP 20(安装后)
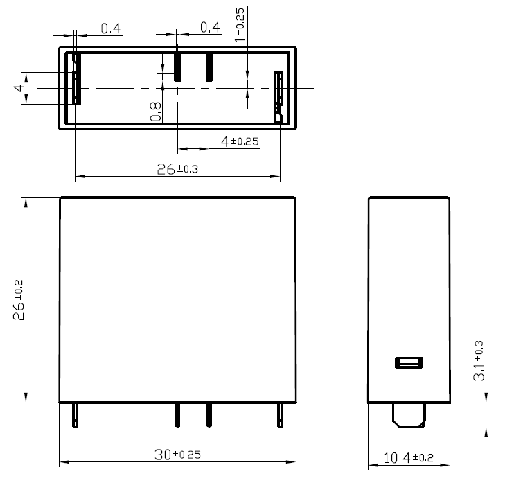
外形尺寸 30 mm×10.4 mm×26 mm(L×W×H)
阻燃等级 UL94 V-0

电路原理示意图


 
外型结构尺寸                                                                        
              
  
结构尺寸图
         
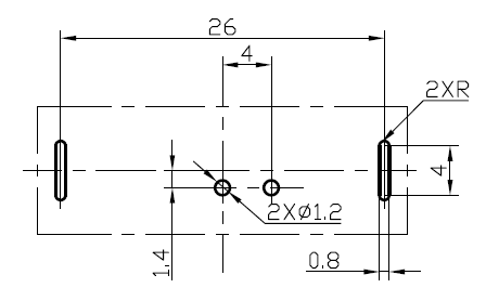
PCB 开孔参考图
澳门新葡京在线 沙巴体育 威尼斯人娱乐城 澳门新葡京博彩官网 澳门美高梅博彩官网