ZGZH-214 组合浪涌保护器

概述
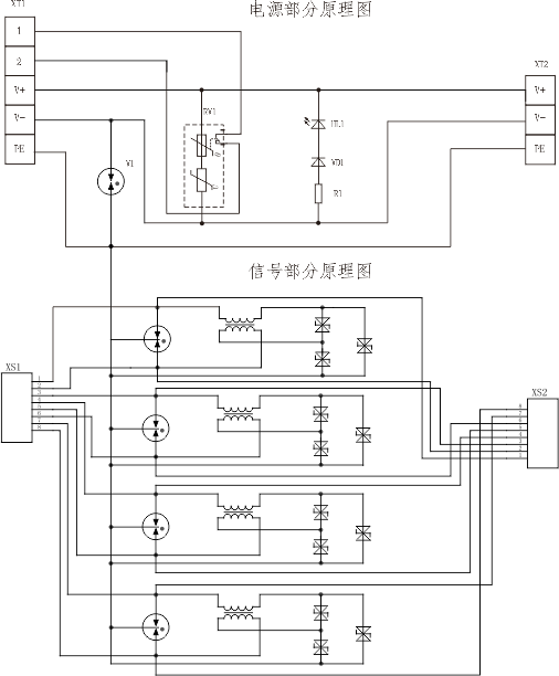
ZGZH-214 组合浪涌保护器将电源和千兆以太网RJ45 信号的保护合为一体,当有感应雷电波侵入电源或信号传输线时,组合浪涌保护器的防雷组件将以纳秒级的响应速度呈现低阻抗状态,迅速将雷电能量泄放到大地, 并把由雷电引起的过电压限制在用电设备允许承受的耐压范围以内,以确保电子电气设备的安全运行。
本产品电源部分的连接方式为串联,适用于直流 12V、负载电流不超过 4A 的各种电子电气设备,采用接线端子与电气设备相连;本产品的视频信号部分,主要适用于保护千兆以太网内部接口电路,输入与输出端均为带屏蔽的 RJ45 插座,用带 RJ45 插头的 5 类屏蔽双绞线电缆作为连接电缆与被保护设备相连。
特点
1. 产品采用金属型材外壳,外形美观,安装接线方便。
2. 具有防腐蚀、阻燃、电磁屏蔽等功能。
3. 具有电源上电指示功能。当电源线连接正确,正常供电时,“工作指示灯”亮绿色,没有电流输入时, “工作指示灯”熄灭。
4. 具有电源 SPD 模块失效后开关量告警信号输出功能(电源 SPD 模块正常,开关信号闭合,电源 SPD 模块失效,开关信号断开)。
5. 信号传输速率高(1000Mbit/s)。
6. 产品响应速度快(ns)。
执行标准
GB/T 2423.1 电工电子产品环境试验 第 2 部分:试验方法 试验 A:低温GB/T 2423.2 电工电子产品环境试验 第 2 部分:试验方法试验 B:高温GB/T 2423.3 电工电子产品基本环境试验规程 试验 Ca:恒定湿热试验方法GB 4208 外壳防护等级(IP 代码)。
GB/T 18802.11-2016 低压电涌保护装置 第 11 部分:连接在低压电力系统中的电涌保护装置试验要求和方法。
GB/T 18802.21-2016 低压电涌保护器 第 21 部分:电信和信号网络的电涌保护器(SPD)——性能要求和试验方法。
Q/75875187-9·3—2016 信号浪涌保护器。
Q/75875187-9·1—2016 电源浪涌保护器。
技术数据
使用环境
| 温度 |
-40℃~+70℃ |
| 相对湿度 |
≤95% |
| 海拔 |
≤3000m |
技术指标
信号部分
| 冲击类别 |
C2、D1 |
| 标称工作电压 UN |
5 V DC |
| 最大持续运行电压 UC |
8 V DC |
| 额定负载电流 IL (25℃) |
0.5 A |
| 总标称放电电流 In (8/20 μs) |
8线-PE |
5 kA |
| 最大放电电流 Imax(8/20 μs) |
8线-PE |
10 kA |
C2冲击耐受能力
(1.2/50 μs,8/20 μs) |
线-PE |
4 kV,2 kA |
D1冲击放电电流
Iimp(10/350 μs) |
8线-PE |
1 kA |
| 电压保护水平 UP(10/700 μs ) |
线-线、线-PE |
30 V |
| 传输速率 TR |
1000 Mbit/s |
| 截止频率 fG |
250 MHz |
| 绝缘电阻 |
≥ 40 kΩ |
| 被保护脚 |
1,2;3,6;4,5;7,8 |
| 过载故障模式 |
模式 2 |
| 响应时间 tA |
≤ 1 ns |
| 接口类型 |
RJ45 |
电源部分
| 标称工作电压 UO |
12 V DC |
| 最大持续运行电压 Uc |
18 V DC |
| 标称放电电流 In(8/20 μs) |
5 kA |
| 最大放电电流 Imax(8/20 μs) |
10 kA |
| 电压保护水平(In) |
≤ 250 V (V+~V-),≤ 1000 V (V-~PE) |
| 额定负载电流(IL) |
4 A |
| 防雷保护模式 |
V+~V-,V-~PE |
| 响应时间 |
≤ 25 ns |
| 电源SPD遥信 |
正常:闭合;异常:断开 |
| 工作指示灯 |
通电正常:灯亮绿色;无电压:灯熄灭 |
| 电源接线端子连接导线的截面积 |
0.15 mm2~2.5 mm2 |
| 遥信接口最大接线面积 |
0.15 mm2~2.5 mm2 |
| 外壳材料 |
铝型材,喷砂 |
| 外壳防护等级(IP 代码) |
IP20 |
电路原理示意图
外型结构
外型尺寸:138 mm×76.5X mm×40.5 mm(长×宽×高)(未含公差)
阻燃等级:UL 94 V0
防护等级:IP20

图2 外形示意图