


|
Temperaturbereich
|
-40 ℃~80 ℃
|
|
Bereich der relativen Luftfeuchtigkeit
|
5 %~95 %
|
|
Der Höhe
|
-500 m~﹢4000 m
|
|
Modell
|
ZGG40-75(1+1)hs
|
ZGG40-275(1+1)hs
|
ZGG40-320(1+1)hs
|
|
|
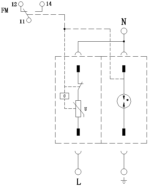
Überspannungsableiter nach IEC 61643-11
|
Class Ⅰ and Class Ⅱ
|
Class Ⅱ
|
||
|
Überspannungsableiter nach EN 61643-11
|
Type 1 and Type 2
|
Type 2
|
||
|
Höchste Dauerspannung Uc
|
L-N: 75 V AC,100 V DC
N-PE: 150 V AC |
L-N: 275 V AC
N-PE: 260 V AC |
L-N: 320 V AC
N-PE: 260 V AC |
|
|
Betriebsfrequenz
|
/
|
50/60 Hz
|
||
|
Nennableitstrom In (8/20 μs)
|
L-N: 15 kA, N-PE: 20 kA
|
20 kA
|
||
|
Maximaler Entladestrom Imax (8/20 μs)
|
40 kA
|
|||
|
Blitzstoßstrom
Iimp (10/350 μs) |
L-N: 4 kA
|
/
|
||
|
Schutzniveau der Spannung Up
|
L-N: 0.65 kV
N-PE: 1 kV |
L-N: 1.4 kV
N-PE: 1.5 kV |
L-N: 1.6 kV
N-PE: 1.5 kV |
|
|
Nennabschaltstrom Ifi
|
N-PE: 100 Arms
|
|||
|
Maximaler Backup-Sicherung
|
63 A gL/gG
|
80 A gL/gG
|
||
|
Zugangsmethode
|
Parallelschaltung
|
|||
|
Schutzmodus
|
L (+) -N (-), N (-) -PE
|
L-N, N-PE
|
||
|
Reaktionszeit tA
|
L-N: ≤ 25 ns; N-PE: ≤ 100 ns
|
|||
|
Querschnitt der Kupferleiter für die Anschlussklemmen
|
Mehraderleitung: 1.5 mm2~25 mm2, Einaderleitung: 1.5 mm2~35 mm2
|
|||
|
Maximaler Anschlussquerschnitt der Fernalarmanbindung
|
1.5 mm2
|
|||
|
Fernmeldekontaktbelastung
|
AC: 250 V/0.5 A 125 V/1 A DC: 30 V/0.1 A
|
|||
|
Drehmoment: Klemmen/
Fernmeldeschnittstellen |
2.5 N•m /0.25 N•m
|
|||
|
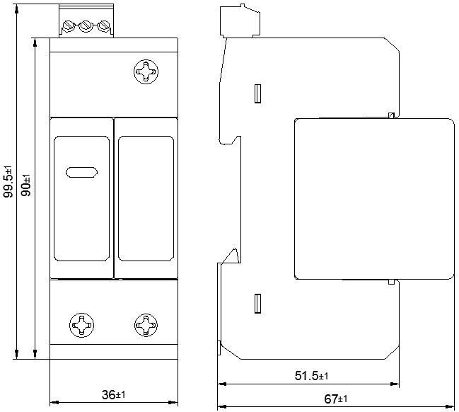
Gehäuseschutzklasse (Code)
|
IP 20
|
|||
|
Anwendungssystem
|
TN, TT
|
TT, TN
|
TT, TN
|
|
|
Montageart
|
35 mm Standardprofil
|
|||
|
Feuerhemmungsgrad
|
UL94 V-0
|
|||
|
Modell
|
ZGG40-385(1+1)hs
|
ZGG40-440(1+1)hs
|
|
|
Überspannungsableiter nach IEC 61643-11
|
Class Ⅱ
|
||
|
Überspannungsableiter nach EN 61643-11
|
Type 2
|
||
|
Höchste Dauerspannung Uc
|
L-N: 385 V AC; N-PE:260 V AC
|
L-N: 440 V AC; N-PE: 260 V AC
|
|
|
Betriebsfrequenz
|
50/60 Hz
|
||
|
Nennableitstrom In (8/20 μs)
|
20 kA
|
||
|
Maximaler Entladestrom Imax (8/20 μs)
|
40 kA
|
||
|
Schutzniveau der Spannung Up
|
L-N: 1.8 kV
N-PE: 1.5 kV |
L-N: 2.2 kV
N-PE: 1.5 kV |
|
|
Nennabschaltstrom Ifi
|
N-PE: 100 Arms
|
||
|
Maximaler Backup-Sicherung
|
80 A gL/gG
|
||
|
Zugangsmethode
|
Parallelschaltung
|
||
|
Schutzmodus
|
L-N, N-PE
|
||
|
Reaktionszeit tA
|
L-N: ≤ 25 ns; N-PE: ≤ 100 ns
|
||
|
Querschnitt der Kupferleiter für die Anschlussklemmen
|
Mehraderleitung: 1.5 mm2~25 mm2, Einaderleitung: 1.5 mm2~35 mm2
|
||
|
Maximaler Anschlussquerschnitt der Fernalarmanbindung
|
1.5 mm2
|
||
|
Fernmeldekontaktbelastung
|
AC: 250 V/0.5 A 125 V/1 A DC: 30 V/0.1 A
|
||
|
Drehmoment: Klemmen/
Fernmeldeschnittstellen |
2.5 N•m /0.25 N•m
|
||
|
Gehäuseschutzklasse (Code)
|
IP 20
|
||
|
Anwendungssystem
|
TT, TN
|
TT, TN, IT
|
|
|
Montageart
|
35 mm Standardprofil
|
||
|
Feuerhemmungsgrad
|
UL94 V-0
|
||


开云体育官网
澳门威尼斯人app
永利博彩
365bet中文
FB体育