
|
Temperaturbereich
|
-40℃~80℃
|
|
Bereich der relativen Luftfeuchtigkeit
|
Nicht größer als 95% (25℃)
|
|
Der Höhe
|
-500 m~﹢4000 m
|
|
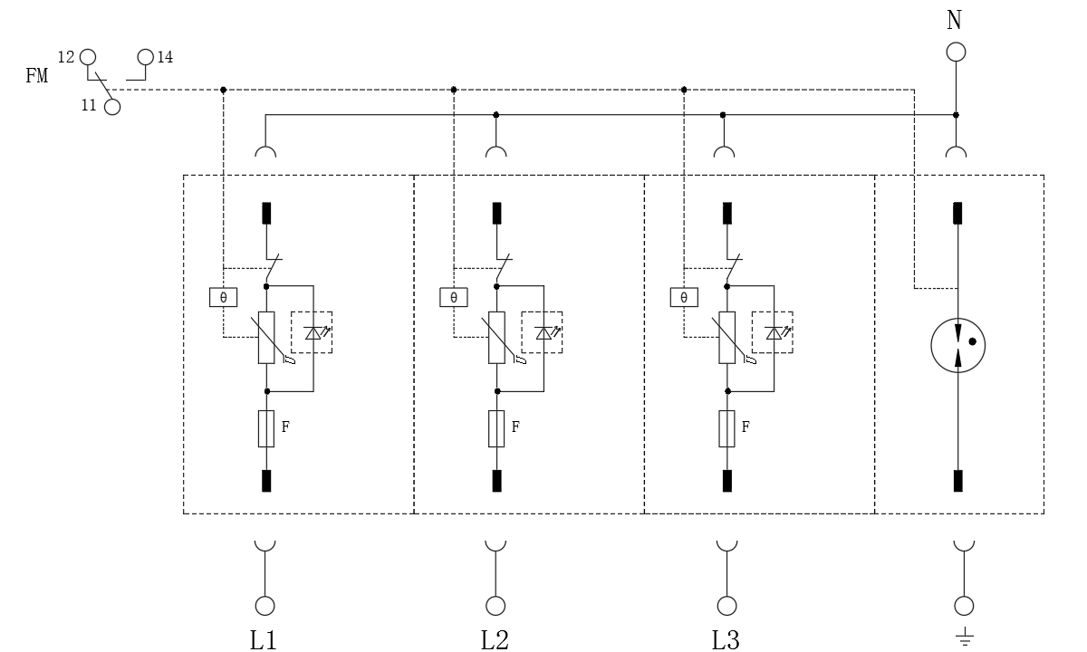
Modell
|
ZGGB40-385(3+1)
|
|
|
Überspannungsableiter nach IEC 61643-1/11
|
Class Ⅱ
|
|
|
Überspannungsableiter nach EN 61643-11
|
Type 2
|
|
|
Höchste Dauerspannung Uc
|
385 V AC
|
255 V AC
|
|
Betriebsfrequenz
|
50/60 Hz
|
|
|
Nennableitstrom In (8/20 μs)
|
20 kA
|
|
|
Maximaler Entladestrom Imax (8/20 μs)
|
40 kA
|
|
|
Schutzniveau der Spannung Up
|
2.0 kV
|
1.5 kV
|
|
Nennabschaltstrom
|
/
|
100 Arms
|
|
Zugangsmethode
|
Parallelschaltung
|
|
|
Schutzmodus
|
L-N
|
N-PE
|
|
Reaktionszeit tA
|
≤ 25 ns
|
|
|
Querschnitt der Kupferleiter für die Anschlussklemmen
|
Mehraderleitung: 1.5 mm2~25 mm2
Einaderleitung: 1.5 mm2~35 mm2 |
|
|
Querschnitt der Kupferleiter für den Anschluss an Fernüberwachungsschnittstellen
|
0.5~1.5 mm2
|
|
|
Fernmeldekontaktbelastung
|
AC: 125 V/0.5 A DC: 30 V/0.1 A
|
|
|
Drehmoment: Klemmen/
Fernmeldeschnittstellen |
2.5 N•m /0.25 N•m
|
|
|
Gehäuseschutzklasse (Code)
|
IP 20
|
|
|
Anwendungssystem
|
TT, TN
|
|
|
Abmessungen
|
90 mm×72 mm×76 mm (Ohne Fernmeldeterminals)
|
|
|
Montageart
|
35 mm Standardprofil
|
|
|
Feuerhemmungsgrad
|
UL94 V-0
|
|

澳门美高梅博彩官网
美高梅博彩
世界杯压球
IM体育试玩
十大正规赌博平台大全