

|
Temperaturbereich
|
-40℃~85℃
|
|
Bereich der relativen Luftfeuchtigkeit
|
≤ 90% (25℃)
|
|
Der Höhe
|
Nicht mehr als 4000m
|
|
Modell
|
ZGXM-M1J-5c
|
|
|
Arbeitsstromspannung
|
5 V
|
|
|
Höchste Dauerspannung
|
6 VDC
|
|
|
Nennstrom
|
1 A
|
|
|
Nennableitstrom 8/20 μs
|
10 kA
|
|
|
Gesamtableitstrom 8/20μs
|
20 kA
|
|
|
Blitzstoßstrom 10/350μs
|
2.5 kA
|
|
|
Schutzniveau der Spannung (10/350 μs)
|
Leitung - Leitung
|
≤ 26 V
|
|
Leitung - Erde
|
≤ 40 V
|
|
|
Schutzniveau der Spannung (1kV/ μs)
|
Leitung - Leitung
|
≤ 11 V
|
|
Leitung - Erde
|
≤ 11 V
|
|
|
Serienwiderstand pro Leiter
|
1.0 ohms
|
|
|
Grenzfrequenz
|
100 M Hz
|
|
|
Kapazität
|
≤ 30 pF
|
|
|
Geschützter Fuß
|
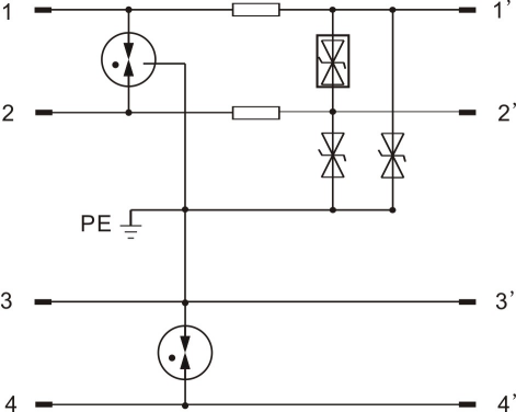
Ein Paar Leiter (1, 2), SE (4)
|
|
|
Gehäusematerial
|
PBT
|
|
|
Drehmoment: Klemmen
|
0.5 Nm
|
|
|
Farbe
|
Kaltes Grau
|
|
|
Gehäuseschutzklasse
|
IP20
|
|
|
Feuerhemmungsgrad
|
UL94 V-0
|
|


TG反波胆足球平台
太阳城app
博彩网址导航
澳门永利博彩官方网站
全国快3信誉最好的老平台