
|
Temperaturbereich |
-40℃~80℃ |
|
Bereich der relativen Luftfeuchtigkeit |
5%~95% |
|
Der Höhe |
-500 m~﹢4000 m |
|
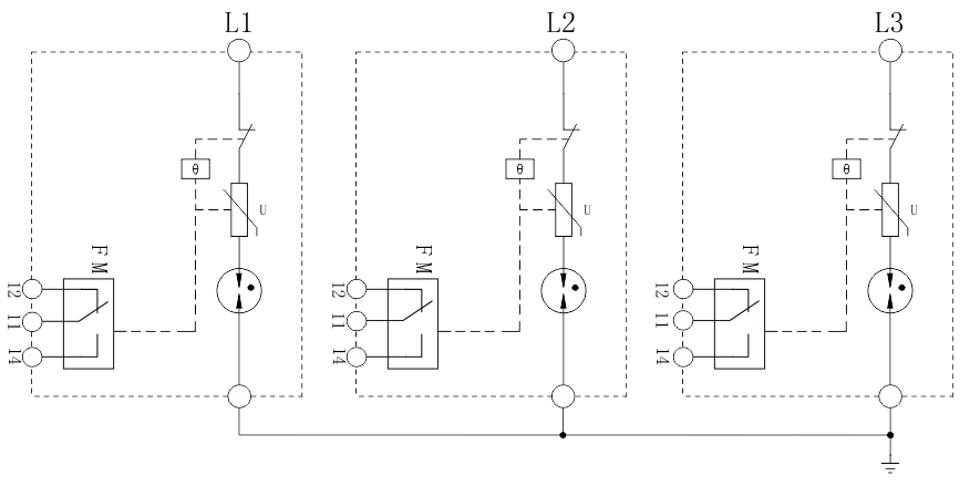
Modell |
ZGGH12.5-760(3+0)T |
|
Überspannungsableiter nach IEC 61643-1 |
ClassⅠ |
|
Überspannungsableiter nach EN 61643-11 |
Type 1 |
|
Höchste Dauerspannung Uc |
760 V AC |
|
Betriebsfrequenz |
50/60 Hz |
|
Blitzstoßstrom Iimp (10/350 μs) |
12.5 kA |
|
Spezifische Energie W/R |
39 kJ/Ω |
|
Schutzniveau der Spannung Up |
3.5 kV |
|
Maximaler Backup-Sicherung |
160 A gL/gG |
|
Zugangsmethode |
Parallelschaltung |
|
Schutzmodus |
L-PE (N) |
|
Reaktionszeit tA |
≤ 100 ns |
|
Querschnitt der Kupferleiter für die Anschlussklemmen |
Mehraderleitung: 1.5 mm2~25 mm2 |
|
Maximaler Anschlussquerschnitt der Fernalarmanbindung |
1.5 mm2 |
|
Fernmeldekontaktbelastung |
AC: 250 V/0.5 A 125 V/1 A DC: 30 V/0.1 A |
|
Drehmoment: Klemmen/Fernmeldeschnittstellen |
2.5 N•m /0.25 N•m |
|
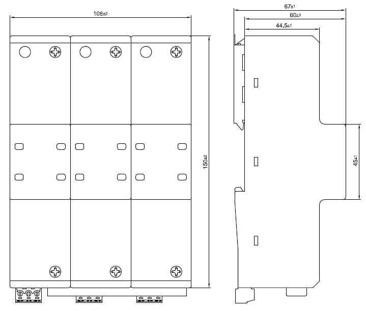
Gehäuseschutzklasse (Code) |
IP 20 |
|
Anwendungssystem |
TN-C, TT, IT |
|
Abmessungen |
150 mm×108 mm×67 mm (Ohne Fernmeldeterminals) |
|
Montageart |
35 mm Standardprofil |
|
Feuerhemmungsgrad |
UL94 V-0 |


沙巴体育官网
世界杯投注
世界杯十大买球平台推荐
澳门美高梅博彩官网
澳门新葡京赌场