نظرة عامة نظرة عامة
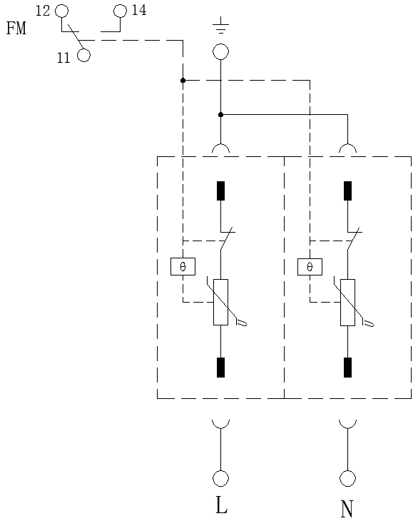
يتكون من وحدة طاقة تعمل بمقاومة حساسة للجهد، وقاعدة. يُستخدم للحماية من المستوى الثاني لـ L-N وN-PE على التوالي.
خصائص
1. تتميز الوحدة القابلة للإدخال بميزة.
2. سعة تحمل تيار عالية، وجهد متبقي منخفض.
3. مزود بحماية ضد ارتفاع درجة الحرارة.
4. مزود بمؤشرعطل ونقطة اتصال جافة لإنذار مركزي عن بعد.
5. درجة حماية الغلاف IP 20، ودرجة مقاومة الحريق UL 94 V-0.
معايير التنفيذ
IEC 61643-11: 2011; EN 61643-11: 2012
بيئة الاستخدام

المؤشرات الفنية

مخطط دائرة كهربائية
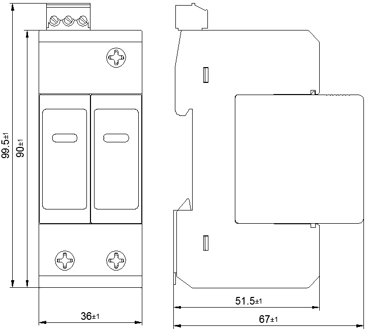
الهيكل الخارجي
皇冠体育官网
银河娱乐app下载
太阳城集团官网
世界杯投注平台
银河娱乐app下载