نظرة عامة
ZGG40-75/275/320/385/440(1+1)hs يتكون من وحدة طاقة تعمل بمقاومة حساسة للجهد، ووحدة طاقة تعمل بأنبوب تفريغ غازي، وقاعدة. يُستخدم للحماية من المستوى الثاني لـ L-N وN-PE على التوالي.
ZGG40-75/275/320/385/440(1+1)hs يُستخدم للحماية من المستوى الثاني بين L(+)-N(-),N(-)-PE . مناسب لأنظمة توزيع التيار المتردد منخفض الجهد أو مصادر التيار المستمر، يتم توصيله على التوازي مع المعدات.
ZGG40-75/275/320/385/440(1+1)hs يُستخدم للحماية من المستوى الثاني لـ L-N وN-PE على التوالي.
خصائص
1. تتميز الوحدة القابلة للإدخال بميزة منع الإدخال العكسي والإدخال الخاطئ.
2. سعة تحمل تيار عالية، وجهد متبقي منخفض.
3. مزود بحماية ضد ارتفاع درجة الحرارة.
4. مزود بمؤشرعطل ونقطة اتصال جافة لإنذار مركزي عن بعد.
5. درجة حماية الغلاف IP 20، ودرجة مقاومة الحريق UL 94 V-0.
معايير التنفيذ
IEC 61643-11: 2011; EN 61643-11: 2012
بيئة الاستخدام

المؤشرات الفنية


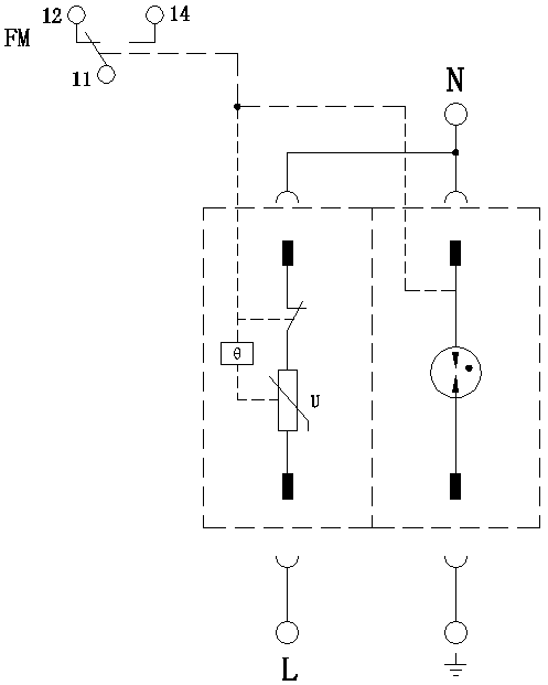
مخطط دائرة كهربائية
الهيكل الخارجي
澳门威尼斯人app下载
十大靠谱体育投注平台
立博中文版
雷火电竞app下载
美高梅娱乐城