نظرة عامة
يتكون من وحدة طاقة تعمل بمقاومة حساسة للجهد، وقاعدة. يُستخدم للحماية من المستوى الثاني لـ L-N وN-PE على التوالي. يتميز واقي التيار الزائد هذا باحتوائه على صمامات مدمجة، مما يلغي الحاجة إلى صمامات احتياطية خارجية ويوفر مساحة عند التركيب.
خصائص
1. تتميز الوحدة القابلة للإدخال بميزة منع الإدخال العكسي والإدخال الخاطئ.
2. لا يتطلب تركيب صمام انصهار احتياطي للحماية من الصواعق.
3. سعة تحمل تيار عالية، وجهد متبقي منخفض.
4. مزود بحماية ضد ارتفاع درجة الحرارة؛, حماية التيار الزائد.
5. مزود بمؤشرعطل ونقطة اتصال جافة لإنذار مركزي عن بعد.
6. درجة حماية الغلاف IP 20، ودرجة مقاومة الحريق UL 94 V-0.
معايير التنفيذ
IEC 61643-11:2011
بيئة الاستخدام

المؤشرات الفنية

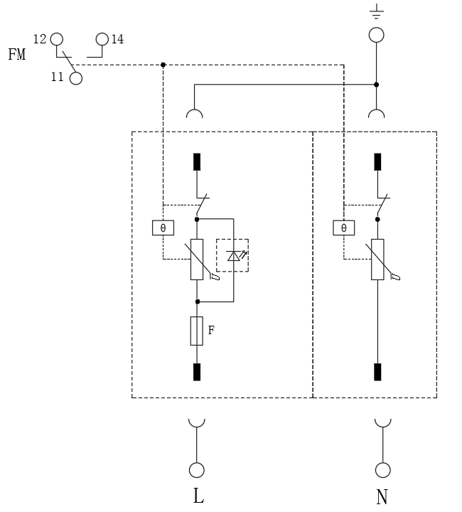
مخطط دائرة كهربائية

الهيكل الخارجي
cq9电子试玩平台
澳门博彩官网
威尼斯人比分网
皇冠体育官网
皇冠搏彩APP