نظرة عامة
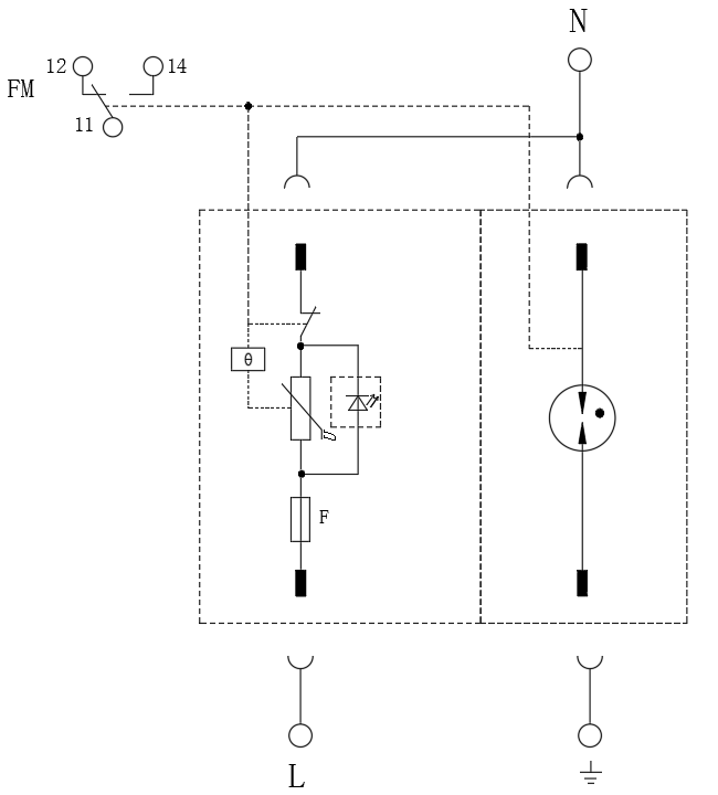
يتكون من وحدة طاقة تعمل بمقاومة حساسة للجهد، وقاعدة. يُستخدم للحماية من المستوى الثاني لـ L-N وN-PE على التوالي. يتميز واقي التيار الزائد هذا باحتوائه على صمامات مدمجة، مما يلغي الحاجة إلى صمامات احتياطية خارجية ويوفر مساحة عند التركيب.
خصائص
1. تتميز الوحدة القابلة للإدخال بميزة منع الإدخال العكسي والإدخال الخاطئ.
2. لا يتطلب تركيب صمام انصهار احتياطي للحماية من الصواعق.
3. سعة تحمل تيار عالية، وجهد متبقي منخفض.
4. مزود بحماية ضد ارتفاع درجة الحرارة؛, حماية التيار الزائد.
5. مزود بمؤشرعطل ونقطة اتصال جافة لإنذار مركزي عن بعد.
6. درجة حماية الغلاف IP 20، ودرجة مقاومة الحريق UL 94 V-0.
معايير التنفيذ
IEC 61643-11: 2011
بيئة الاستخدام

المؤشرات الفنية

مخطط دائرة كهربائية
الهيكل الخارجي
乐竞体育
太阳城官方网站
体育博彩
ladbrokes立博
十大网赌靠谱网址平台