نظرة عامة
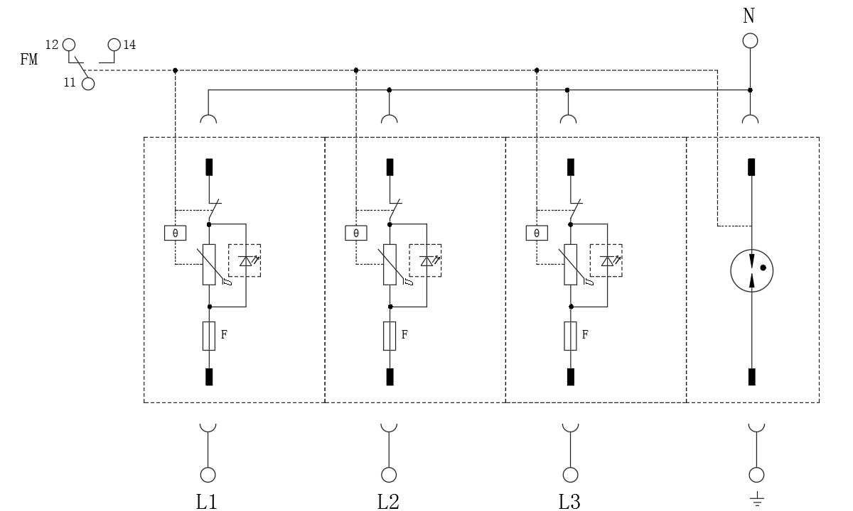
يتكون من وحدة طاقة تعمل بمقاومة حساسة للجهد، ووحدة طاقة تعمل بأنبوب تفريغ غازي، وقاعدة. يُستخدم للحماية من المستوى الثاني لـ L-N وN-PE على التوالي. يتميز واقي التيار الزائد هذا باحتوائه على صمامات مدمجة، مما يلغي الحاجة إلى صمامات احتياطية خارجية ويوفر مساحة عند التركيب.
خصائص
1. تتميز الوحدة القابلة للإدخال بميزة منع الإدخال العكسي والإدخال الخاطئ.
2. لا يتطلب تركيب صمام انصهار احتياطي للحماية من الصواعق.
3. سعة تحمل تيار عالية، وجهد متبقي منخفض.
4. مزود بحماية ضد ارتفاع درجة الحرارة؛, حماية التيار الزائد.
5. مزود بمؤشرعطل ونقطة اتصال جافة لإنذار مركزي عن بعد.
6. درجة حماية الغلاف IP 20، ودرجة مقاومة الحريق UL 94 V-0.
معايير التنفيذ
IEC 61643-11: 2011
بيئة الاستخدام

المؤشرات الفنية
مخطط دائرة كهربائية
الهيكل الخارجي
世界杯2026买球软件
立博中文版
皇冠体育网址
ladbrokes立博
熊猫体育