نظرة عامة
يتم توصيل واقي التيار الزائد لوحدة الفاريستور وواقي التيار الزائد لوحدة أنبوب تفريغ الغاز عبر قضيب التوصيل، ويتميز بوضع حماية L-PE. يُستخدم واقي التيار الزائد لوحدة الطاقة في أنظمة توزيع التيار المتردد منخفضة الجهد. حيث يتم توصيله على التوازي بين مصدر الطاقة المترددة ومعدات النظام لحمايتها من التلف الناتج عن النبضات الكهربائية الزائدة والجهود العابرة الناتجة عن عوامل خارجية (مثل الصواعق والتداخل الكهرومغناطيسي) أو داخلية (مثل تشغيل/إيقاف أحمال النظام الحثية والسعوية).
خصائص
1. سعة تحمل تيار عالية، وجهد متبقي منخفض.
2. مزود بحماية ضد ارتفاع درجة الحرارة.
3. مزود بمؤشرعطل ونقطة اتصال جافة لإنذار مركزي عن بعد.
4. درجة حماية الغلاف IP 20، ودرجة مقاومة الحريق UL 94 V-0.
معايير التنفيذ
IEC 61643-11: 2011; EN 61643-11: 2012
بيئة الاستخدام

المؤشرات الفنية

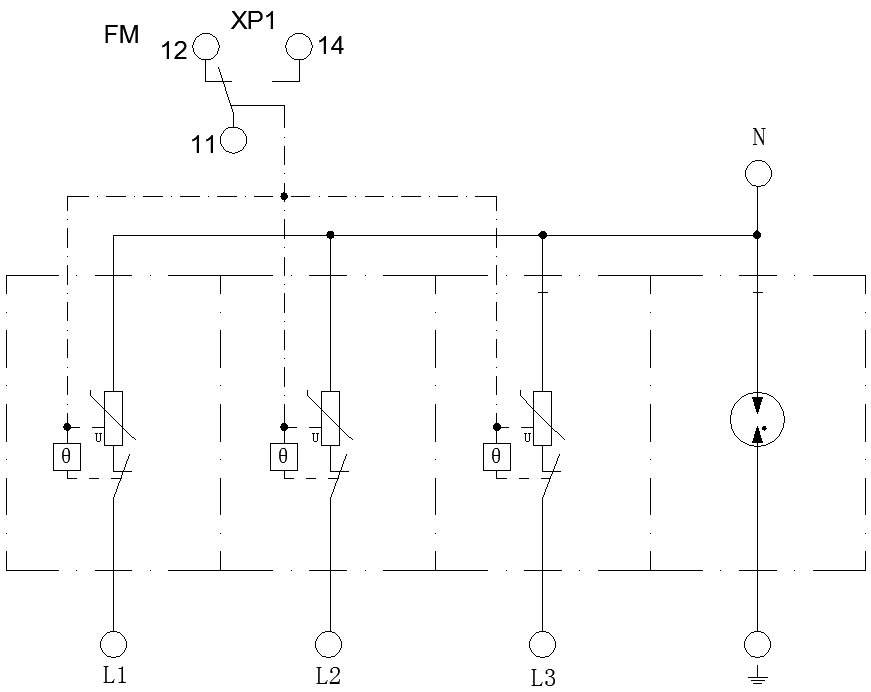
مخطط دائرة كهربائية
الهيكل الخارجي
cq9电子
雷火电竞app下载
网络棋牌游戏平台十大排行
海博体育
bbin官网app下载