نظرة عامة
يتألف من وحدة مقاومة فولتية حساسة للجهد ،وحدة أنبوب التفريغ الغازي، ويتميز بوضع حماية L-PE. أنظمة توزيع الطاقة المترددة ذات الجهد المنخفض، حيث يتم توصيله على التوازي بين مصدر الطاقة والمعدات، لحمايتها من التلف الناتج عن نبضات التيار الزائد والجهد العالي العابر، سواءً كان مصدرها خارجيًا (مثل الصواعق والتداخل الكهرومغناطيسي) أو داخليًا (مثل تشغيل أوإيقاف الأحمال الحثية والسعوية).
خصائص
1. سعة تحمل تيار عالية، وجهد متبقي منخفض.
2. مزود بحماية ضد ارتفاع درجة الحرارة.
3. مزود بمؤشرعطل ونقطة اتصال جافة لإنذار مركزي عن بعد.
4. درجة حماية الغلاف IP 20، ودرجة مقاومة الحريق UL 94 V-0.
معايير التنفيذ
IEC 61643-11: 2011; EN 61643-11: 2012
بيئة الاستخدام

المؤشرات الفنية
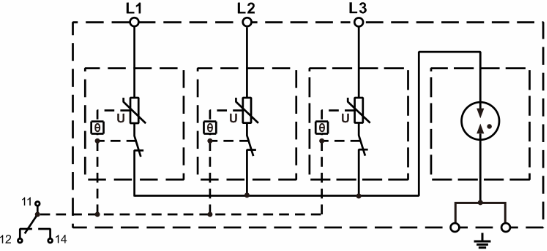
مخطط دائرة كهربائية
冰球突破豪华版游戏
澳门银河娱乐城官网
美高梅博彩
十大正规赌博平台大全
太阳城网赌平台