نظرة عامة
يتكون من رأس وحدة الطاقة والقاعدة، ويُستخدم للحماية من المستوى الثاني أو الثالث في أنظمة التيار المتردد. (L-N, N-PE) يتم توصيله على التوالي أو التوازي بين مصدر الطاقة المترددة ومعدات النظام، لحماية الأجهزة من التلف الناتج عن النبضات الكهربائية المفاجئة وارتفاع الجهد العابر الناجم عن عوامل خارجية (مثل الصواعق والتداخل الكهرومغناطيسي) أو داخلية (مثل تأثيرات تشغيل/إيقاف النظام، بدء/إيقاف الأحمال الحثية والسعوية).
خصائص
1. تتميز الوحدة القابلة للإدخال بميزة.
2. جهد متبقي منخفض.
3. مزود بحماية ضد ارتفاع درجة الحرارة.
4. مزود بمؤشرعطل ونقطة اتصال جافة لإنذار مركزي عن بعد.
5. درجة حماية الغلاف IP 20، ودرجة مقاومة الحريق UL 94 V-0.
معايير التنفيذ
IEC 61643-1: 2005; UL 1449 Ed.4
بيئة الاستخدام

المؤشرات الفنية

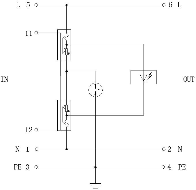
مخطط دائرة كهربائية
الهيكل الخارجي
新葡京博彩官网
在线博彩平台
365bet中文
bet9九卅娱乐在线登录
澳门威尼斯人app