皇冠体育

皇冠体育博彩
المنتج


نظرة عامة
عند توصيله على التوازي في نظام التيار المستمر أو نظام توليد كهروضوئي، يمكن استخدامه للحماية من المستوى الثاني للمحول في محطة توليد كهروضوئية. يتم استخدام مقاومة الفاريستور كعنصر حماية داخلي، مع وجود آلية فصل أمان لمنع الحرارة الزائدة أو التيار الزائد، وذلك لضمان إطفاء قوس التيار المستمر بأمان عند عطل المنتج، ومنع وقوع حوادث مثل الحريق. في حالة عدم وجود زيادة مفاجئة في الجهد، يتمتع واقي زيادة الجهد  بمقاومة عالية. عند حدوث تيار زيادة مفاجئة وارتفاع في الجهد، يستجيب واقي زيادة الجهد بسرعة تصل إلى ≤25 نانوثانية، مع انخفاض تدريجي في المقاومة، مما يحد من الجهد عبر الواقي إلى مستوى منخفض، وبالتالي يمنع تلف المعدات الناجم عن زيادة جهد الصواعق (زيادة الجهد المباشر الناتج عن صواعق البرق، زيادة الجهد المستحث بالبرق، إلخ)، وزيادة الجهد التشغيلي (الناتجة عن أي تشغيل للمفاتيح، بدء الأعطال، انقطاعات، إلخ) في المنشآت الكهربائية، وزيادة الجهد المؤقت (زيادة الجهد الناتجة عن أعطال في نظام توزيع الجهد المنخفض، تشغيل المكثفات، توقف أو بدء تشغيل المحركات، إلخ).
 
خصائص
1. تتميز الوحدة القابلة للإدخال بميزة.
2. سعة تحمل تيار عالية، وجهد متبقي منخفض؛ درجة عالية من الأمان والموثوقية.
3. مزود بحماية ضد ارتفاع درجة الحرارة.
4. مزود بمؤشرعطل ونقطة اتصال جافة لإنذار مركزي عن بعد.
5. درجة حماية الغلاف IP 20، ودرجة مقاومة الحريق UL 94 V-0.
 
معايير التنفيذ
 EN 50539-11: 2013
 
بيئة الاستخدام
المؤشرات الفنية
 
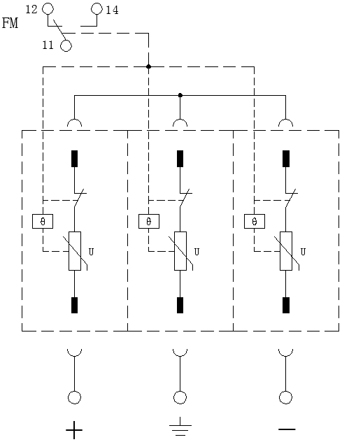
مخطط دائرة كهربائية

 
                                      

 
الهيكل الخارجي
 
           
澳门线上博彩官网 十大网络赌博网站排行 IM体育 亚洲博彩app下载 ob电子