皇冠体育

皇冠体育
المنتج
 
نظرة عامة
يتكون من مادة MOV، وعلبة مقاومة للاشتعال، ومكونات معدنية، وطريقة تركيب على لوحة الدوائر المطبوعة. يتميز بمقاومة الحريق، والحماية من التيار الزائد والسخونة الزائدة، ووظيفة الإنذار عن بعد. يُستخدم بشكل رئيسي في الحماية من زيادة التيار من المستوى الثاني والثالث في أنظمة توزيع الطاقة ذات الجهد المنخفض للتيار المتردد والتيار المستمر والمعدات الكهربائية.
 
خصائص
حجم صغير، سعة تيار عالية، وقت استجابة سريع، عدم وجود تيار متبقي.
 
معايير التنفيذ
; IEC 61643-11: 2011EN 61643-11: 2012; IEC 61643-31: 2018; EN 61643-31: 2019
 
بيئة الاستخدام
المؤشرات الفنية



مخطط دائرة كهربائية

الهيكل الخارجي
 
                               
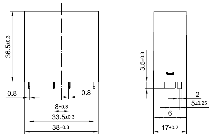
رسم الأبعاد الخارجية
 
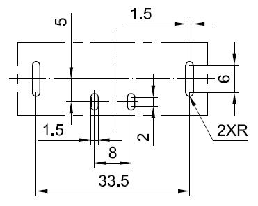
حفر ثقوب لوحة الدوائر المطبوعة
中国博彩平台 ag亚游 永利体育 2026世界杯赌球 澳门银河娱乐城官网