皇冠体育

皇冠体育博彩
Productos
ZGGFB50-385Y

Descripción general
Aprovechando la tecnología de descarga eléctrica de multicapa, se caracteriza por alta corriente de impulso, baja tensión residual y fuerte capacidad de interrupción de corriente de seguimiento. Se utiliza para la protección contra rayos de Tipo 1 en sistemas de alimentación de distribución de baja tensión, a fin de proteger los equipos contra daños por sobretensiones de rayo.

Característica
1. Alta capacidad de descarga, baja tensión residual, fuerte capacidad de interrupción de corriente de seguimiento.
2. Instalación en carril DIN estándar.
3. Dispone de dispositivo de desconexión, indicación de estado local e interfaz de señalización remota.

Estándares Aplicables
IEC 61643-11:2011; EN 61643-11:2012

Datos técnicos
Ambiente de Operación
Rango de Temperatura –40 °C to 85 °C
Rango de Humedad Relativa 5% to 95% (+25 °C)
Rango de Altitud –500 m to +3000 m
Especificaciones Técnicas
Modelo ZGGFB50-385(1+1)Y ZGGFB50-385(3+1)Y
Protector contra sobretensiones según IEC 61643-1 Class I + Class II
Protector contra sobretensiones según EN 61643-11 Type 1 + Type 2
Número de Puertos 1 Monopuerto
Modo de Conexión En paralelo
Tensión de Red del Sistema Protegido U0 (L-N voltaje de fase) 230 V 50/60 Hz
Tensión Máxima de Servicio Continuo Uc 385 V (L-N), 255 V (N-PE) 50/60 Hz
Tipo de Sistema de Baja Tensión TN, TT
Modo de Protección L-N, N-PE
Corriente Nominal de Descarga In (8/20 μs) 50 kA (L-N), 100 kA (N-PE)
Corriente Impulsional de Descarga Iimp (10/350 μs) 50 kA (L-N), 100 kA (N-PE)
Carga Q 25 As (L-N), 50 As (N-PE)
Energía Específica W/R 625 kJ/Ω (L-N), 2500 kJ/Ω (N-PE)
Nivel de Protección de Tensión UP 2.5 kV (L-N), 2.0 kV (N-PE)
Tensión Limitada Medida UL (at Iimp) ≤ 1.0 kV (después de 10 μs ) (L-N)
Capacidad Nominal de Interrupción de Corriente de Seguimiento Ifi 3 kA (en 385 V a.c.) (L-N); 0.1 kA (en 255 V a.c.) (N-PE)
Corriente Nominal de Cortocircuito ISCCR 3 kA (L-N)
Capacidad de Resistencia a Impulsos de Sobretensión (10/350 μs) 25 kA (10 veces, intervalo de 5 min)  (L-N)
Tiempo de Respuesta tA ≤ 100 ns
Corriente de Fuga ≤ 1 mA
Corriente Residual IPE ≤ 1 mA
sobretensiones temporales (TOV) UT =442 V, tT =120 min (L-N); UT =1200 V, tT =200 ms (N-PE)
Casos de Uso Interior
Tipo de Montaje 35 mm Carril de guía (Tipo TH 35,De acuerdo con IEC/EN 60715)
Indicación de Estado Normal: Verde; Fallo: Rojo
Sección de Conductor Admisible para Bornes de Alimentación 6 mm2 to 25 mmCable multinúcleo
Par de Apriete: Terminales / Interfaz de Señalización Remota 2.5 N·m/0.25 N·m
Parámetros de Cableado para Señalización Remota AC: 250 V/0.5 A, 125 V/1 A; DC: 30 V/0.1 A
Sección de Conductor Admisible para Interfaz de Señalización Remota 0.5 mm2 to 1.5 mm2
Período de Almacenamiento años
Período de Garantía de Calidad años
 
Modelo ZGGFB50-385(2+0)Y ZGGFB50-385(3+0)Y ZGGFB50-385(4+0)Y
Protector contra sobretensiones según IEC 61643-1 Class I + Class II
Protector contra sobretensiones según EN 61643-11 Type 1 + Type 2
Número de Puertos 1 Monopuerto
Modo de Conexión En paralelo
Tensión de Red del Sistema Protegido U0 (L-N voltaje de fase) 230 V 50/60 Hz
Tensión Máxima de Servicio Continuo Uc 385 V 50/60 Hz
Tipo de Sistema de Baja Tensión TN
Modo de Protección L-PE, N-PE L-PE L-PE, N-PE
Corriente Nominal de Descarga In (8/20 μs) 50 kA
Corriente Impulsional de Descarga Iimp (10/350 μs) 50 kA
Carga Q 25 As
Energía Específica W/R 625 kJ/Ω
Nivel de Protección de Tensión UP 2.5 kV
Tensión Limitada Medida UL (at Iimp) ≤ 1.0 kV (después de 10 μs )
Capacidad Nominal de Interrupción de Corriente de Seguimiento Ifi 3 kA (en 385 V a.c.)
Corriente Nominal de Cortocircuito ISCCR 3 kA
Capacidad de Resistencia a Impulsos de Sobretensión (10/350 μs) 25 kA (10 veces, intervalo de 5 min)
Tiempo de Respuesta tA ≤ 100 ns
Corriente de Fuga ≤ 1 mA
Corriente Residual IPE ≤ 1 mA
sobretensiones temporales (TOV) UT =442 V, tT =120 min
Casos de Uso Interior
Tipo de Montaje 35 mm Carril de guía (Tipo TH 35,De acuerdo con IEC/EN 60715)
Indicación de Estado Normal: Verde; Fallo: Rojo
Sección de Conductor Admisible para Bornes de Alimentación 6 mm2 to 25 mm2 Cable multinúcleo
Par de Apriete: Terminales / Interfaz de Señalización Remota 2.5 N·m/0.25 N·m
Parámetros de Cableado para Señalización Remota AC: 250 V/0.5 A, 125 V/1 A; DC: 30 V/0.1 A
Sección de Conductor Admisible para Interfaz de Señalización Remota 0.5 mm2 to 1.5 mm2
Período de Almacenamiento años
Período de Garantía de Calidad años

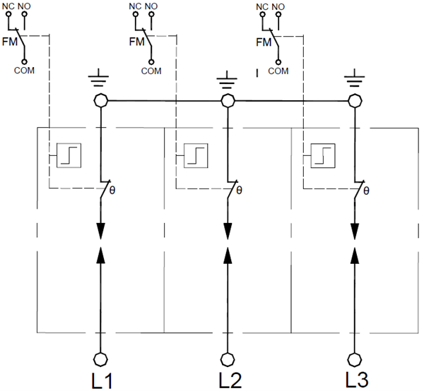
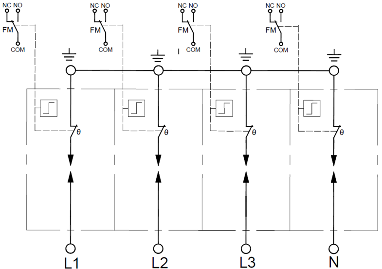
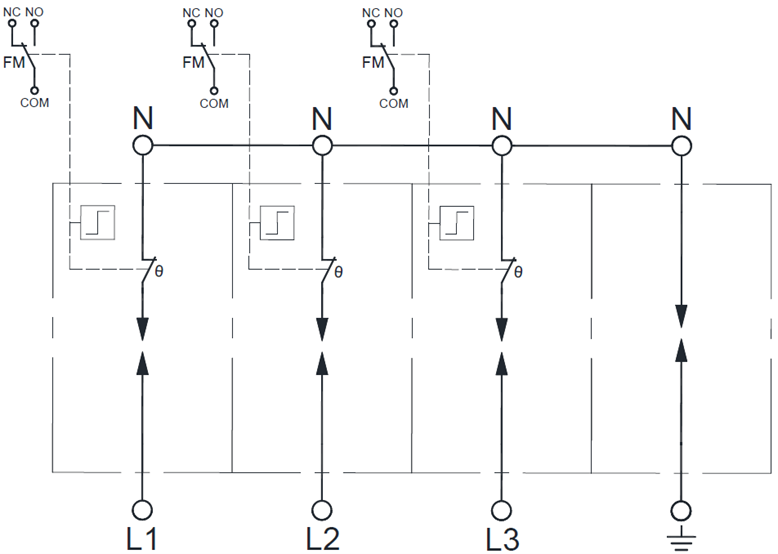
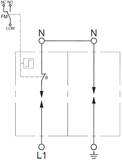
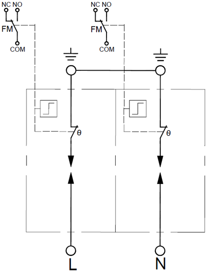
Diagrama Esquemático del Circuito

ZGGFB50-385(1+1)Y



ZGGFB50-385(2+0)Y




ZGGFB50-385(3+0)Y



ZGGFB50-385(3+1)Y


ZGGFB50-385(4+0)Y
 
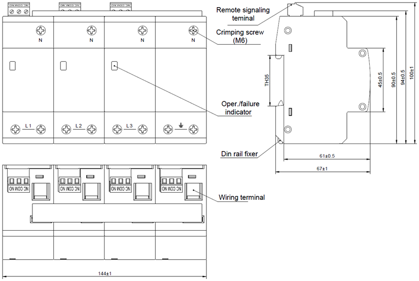
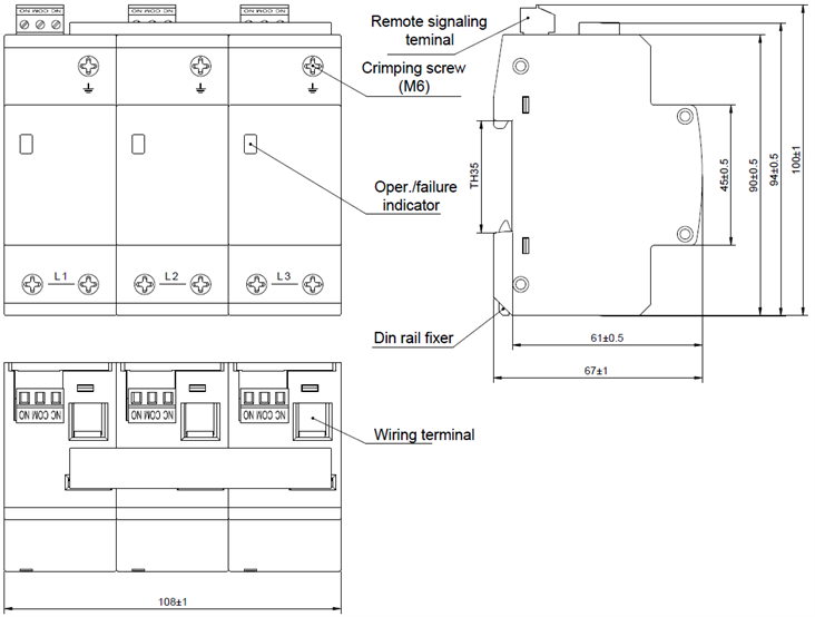
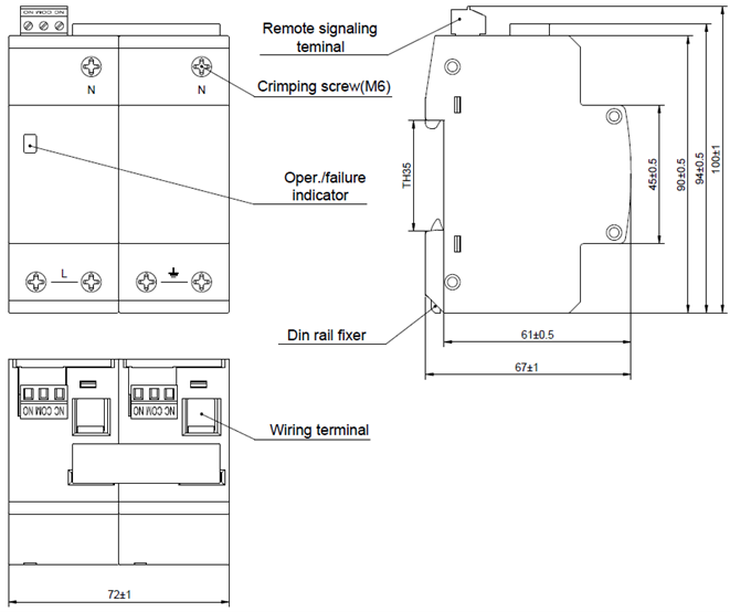
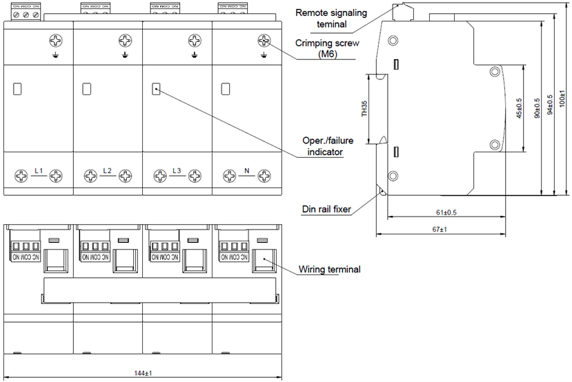
Estructura Externa

ZGGFB50-385(1+1)Y



ZGGFB50-385(2+0)Y



ZGGFB50-385(3+0)Y



ZGGFB50-385(3+1)Y


ZGGFB50-385(4+0)Y
澳门银河网上赌场 mg冰球突破豪华版下载 十大博彩 mgm美高梅 ag亚游