


| Rango de Temperatura | -40℃~80℃ |
| Rango de Humedad Relativa | 5 %~95 % |
| Rango de Altitud | -500m~﹢4000m |
| Modelo | ZGG40-275(3+1)hs | ZGG40-320(3+1)hs | ZGG40-385(3+1)hs | ZGG40-440(3+1)hs |
| Protector contra sobretensiones según IEC 61643-1 |
Class Ⅱ | |||
| Protector contra sobretensiones según EN 61643-11 |
Type 2 | |||
| Tensión Máxima de Servicio Continuo Uc | L-N: 275 V AC N-PE: 260 V AC |
L-N: 320 V AC N-PE: 260 V AC |
L-N: 385 V AC N-PE: 260 V AC |
L-N: 440 V AC N-PE: 260 V AC |
| Frecuencia de Operación | 50/60 Hz | |||
| Corriente Nominal de Descargav In (8/20 μs) | 20 kA | |||
| Corriente Máxima de Descarga Imax (8/20 μs) | 40 kA | |||
| Nivel de Protección de Tensión Up | L-N: 1.4 kV N-PE: 1.5 kV |
L-N: 1.6 kV N-PE: 1.5 kV |
L-N: 1.8 kV N-PE: 1.5 kV |
L-N: 2.2 kV N-PE: 1.5 kV |
| Capacidad Nominal de Interrupción de Corriente de Seguimiento Ifi | N-PE: 100 Arms | |||
| Fusible de Respaldo Máximo | 80 A gL/gG | |||
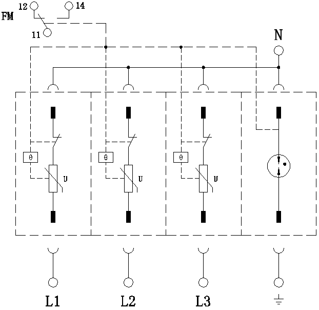
| Modo de Conexión | En paralelo | |||
| Modo de Protección | L-N, N-PE | |||
| Tiempo de Respuesta tA | L-N: ≤ 25 ns; N-PE: ≤ 100 ns | |||
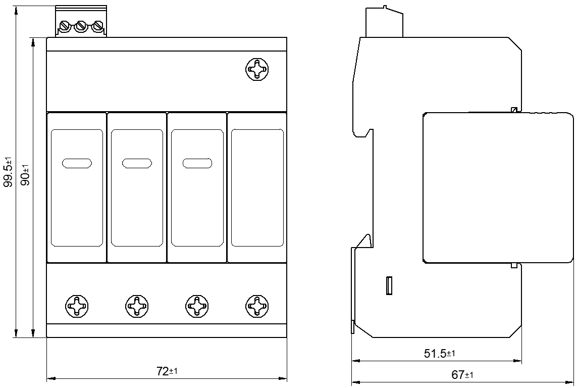
| Sección Transversal del Conductor de Cobre para Terminales de Conexión | Cable multinúcleo: 1.5 mm2~25 mm2, Cable unifilar: 1.5 mm2~35 mm2 | |||
| Sección Máxima de Cableado para Interfaz de Señalización Remota | 1.5 mm2 | |||
| Capacidad de los Contactos de Alarma por Señalización Remota | AC: 250 V/0.5 A 125 V/1 A DC: 30 V/0.1 A | |||
| Par de Apriete: Terminales / Interfaz de Señalización Remota | 2.5 N•m /0.25 N•m | |||
| Grado de Protección de la Carcasa (Código IP) | IP 20 | |||
| Sistema de Aplicación | TT, TN | TT, TN | TT, TN | TT, TN, IT |
| Forma de Montaje | 35 mm Carril estándar (DIN) | |||
| Clasificación de Inflamabilidad | UL94 V-0 | |||


威尼斯人现金网
威尼斯人体育
沙巴体育app官方版
十大正规博彩平台推荐
365体育投注