
Descripción general
ZGG40-1000(3+1) Formado mediante una barra colectora que une el protector contra sobretensiones modular tipo varistor y el protector contra sobretensiones modular tipo de tubo de descarga de gas, provisto del modo de protección L-PE, este protector contra sobretensiones modular de potencia se aplica en sistemas de distribución de CA de baja tensión. conectado en paralelo entre la fuente de alimentación de CA y el equipo del sistema, y dedicado a proteger contra daños causados por impulsos de sobretensión y sobretensiones transitorias originadas por factores externos (rayos, interferencias de radiación electromagnética, etc.) o internos del sistema (efectos de conmutación del sistema, arranque y parada de cargas inductivas y capacitivas, etc.).
Característica
1. Alta capacidad de descarga, baja tensión residual.
2. Protección contra sobrecalentamiento.
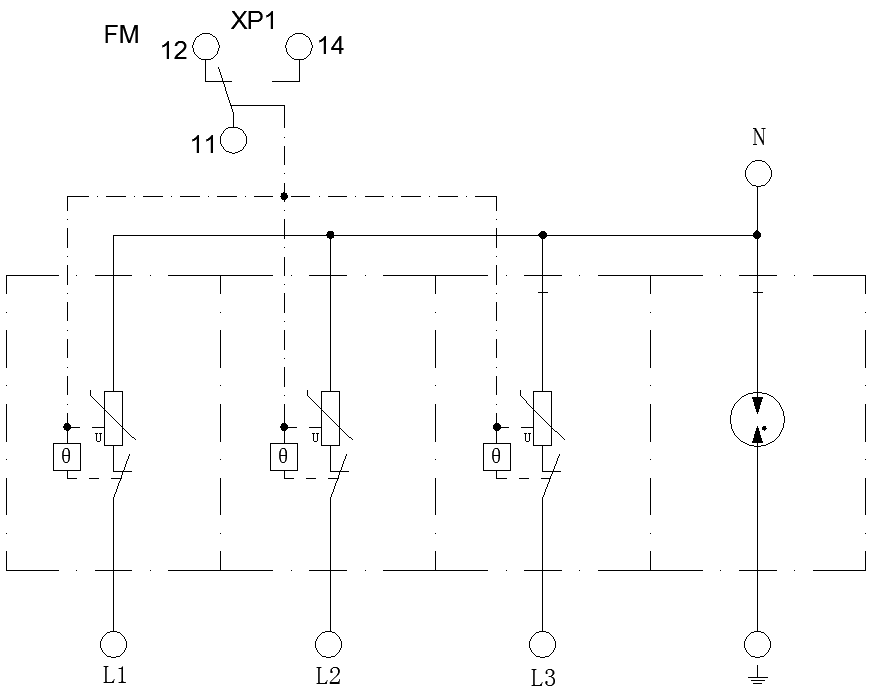
3. Indicación de fallo y contacto seco para alarma remota centralizada.
4. Grado de protección de la carcasa IP20, clasificación de inflamabilidad UL 94 V-0.
Estándares Aplicables
IEC 61643-11: 2011; EN 61643-11: 2012
Ambiente de Operación
| Rango de Temperatura |
-40 ℃~80 ℃ |
| Rango de Humedad Relativa |
5%~95% |
| Rango de Altitud |
-500 m~﹢4000 m |
Especificaciones Técnicas
| Modelo |
ZGG40-1000(3+1) |
| Protector contra sobretensiones según IEC 61643-1 |
Class Ⅱ |
| Protector contra sobretensiones según EN 61643-11 |
Type 2 |
| Tensión Máxima de Servicio Continuo Uc |
L-N: 1000 V AC; N-PE: 255 V AC |
| Corriente Nominal de Descarga In (8/20 μs) |
L-N: 20 kA; N-PE: 100 kA |
| Corriente Máxima de Descarga Imax (8/20 μs) |
L-N: 40 kA; N-PE: 160 kA |
| Nivel de Protección de Tensión Up |
L-N: 4 Kv; N-PE: 2.5 kV; L-PE: 5.5 kV |
| Fusible de Respaldo Máximo |
80 A gL/gG |
| Modo de Conexión |
En paralelo |
| Corriente de Fuga |
≤20 μA |
| Modo de Protección |
L-PE |
| Tiempo de Respuesta tA |
≤100 ns |
| Sección Transversal del Conductor de Cobre para Terminales de Conexión |
Cable multinúcleo: 1.5 mm2~25 mm2
Cable unifilar: 1.5 mm2~35 mm2 |
| Sección Máxima de Cableado para Interfaz de Señalización Remota |
1.5 mm2 |
| Capacidad de los Contactos de Alarma por Señalización Remota |
AC: 250 V/0.5 A 125 V/1 A DC: 30 V/0.1 A |
| Par de Apriete: Terminales / Interfaz de Señalización Remota |
2.5 N•m /0.25 N•m |
| Grado de Protección de la Carcasa (Código IP) |
IP 20 |
| Dimensiones Externas |
90 mm×144 mm×68 mm (No incluye terminales de señalización remota) |
| Forma de Montaje |
35 mm Carril estándar (DIN) |
| Clasificación de Inflamabilidad |
UL94 V-0 |
Diagrama Esquemático del Circuito
Estructura Externa