Descripción general
Compuesto por tres juegos de protectores contra sobretensiones modulares de potencia ZGGH12.5-760T, aplicado en sistemas de distribución de CA de baja tensión, y conectado en paralelo entre la fuente de alimentación de CA y el equipo. Protege el equipo contra los efectos de sobretensiones de impulso y sobretensiones transitorias causadas por los factores externos (como rayos, interferencias electromagnéticas, etc.) o internos del sistema (como efectos de conmutación del sistema, arranque o parada de cargas inductivas y capacitivas, etc.).
Característica
1. Alta capacidad de descarga, baja tensión residual.
2. Protección contra sobrecalentamiento.
3. Indicación de fallo y contacto seco para alarma remota centralizada.
4. Sin corriente de seguimiento, sin corriente de fuga.
Estándares Aplicables
IEC 61643-11: 2011; EN 61643-11: 2012
Ambiente de Operación
| Rango de Temperatura |
-40℃~80℃ |
| Rango de Humedad Relativa |
5%~95% |
| Rango de Altitud |
-500m~﹢4000m |
Especificaciones Técnicas
| Modelo |
ZGGH12.5-760(3+0)T |
| Protector contra sobretensiones según IEC 61643-1 |
ClassⅠ |
| Protector contra sobretensiones según EN 61643-11 |
Type 1 |
| Tensión Máxima de Servicio Continuo Uc |
760 V AC |
| Frecuencia de Operación |
50/60 Hz |
| Corriente Impulsional de Descarga Iimp (10/350 μs) |
12.5 kA |
| Energía Específica W/R |
39 kJ/Ω |
| Nivel de Protección de Tensión Up |
3.5 kV |
| Fusible de Respaldo Máximo |
160 A gL/gG |
| Modo de Conexión |
En paralelo |
| Modo de Protección |
L-PE (N) |
| Tiempo de Respuesta tA |
≤ 100 ns |
| Sección Transversal del Conductor de Cobre para Terminales de Conexión |
Cable multinúcleo: 1.5 mm2~25 mm2
Cable unifilar : 1.5 mm2~35 mm2 |
| Sección Máxima de Cableado para Interfaz de Señalización Remota |
1.5 mm2 |
| Capacidad de los Contactos de Alarma por Señalización Remota |
AC: 250 V/0.5 A 125 V/1 A DC: 30 V/0.1 A |
| Par de Apriete: Terminales / Interfaz de Señalización Remota |
2.5 N•m /0.25 N•m |
| Grado de Protección de la Carcasa (Código IP) |
IP 20 |
| Sistema de Aplicación |
TN-C, TT, IT |
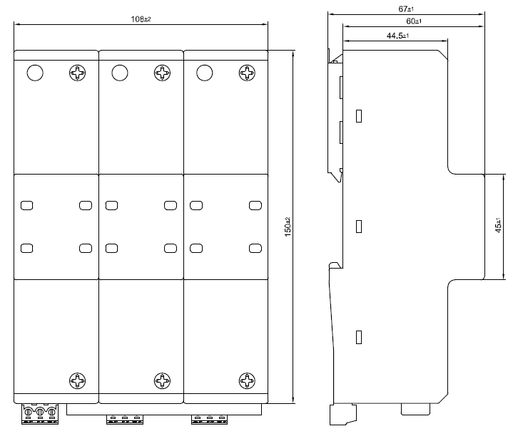
| Dimensiones Externas |
150 mm×108 mm×67 mm (No incluye terminales de señalización remota) |
| Forma de Montaje |
35 mm Carril estándar (DIN) |
| Clasificación de Inflamabilidad |
UL94 V-0 |
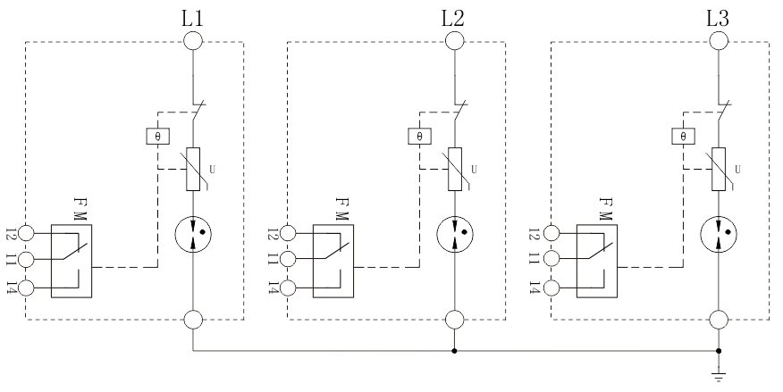
Diagrama Esquemático del Circuito