皇冠体育

皇冠体育
Productos
 
 
Descripción general
Compuesto por un cabezal de módulo de potencia y una base, utilizado para la protección de Tipo 2 y Tipo 3 en sistemas de CC (+ — -, - — PE), conectado en serie o paralelo entre la fuente de alimentación de CC y el equipo del sistema, para proteger contra daños causados por impulsos de sobretensión y sobretensiones transitorias originadas por factores externos (rayos, interferencias de radiación electromagnética, etc.) o internos del sistema (efectos de conmutación del sistema, arranque y parada de cargas inductivas y capacitivas, etc.).

Característica
1. Los módulos enchufables tienen funciones anti-inserción incorrecta y anti-intercambio.
2. 
Baja tensión residual.

3. Protección contra sobrecalentamiento.
4. Indicación de fallo y contacto seco para alarma remota centralizada.
5. Grado de protección de la carcasa IP20, clasificación de inflamabilidad UL 94 V-0.

Estándares Aplicables
IEC 61643-11: 2011; EN 61643-11: 2012

Ambiente de Operación
Rango de Temperatura -40 ℃~80 ℃
Rango de Humedad Relativa 5 %~95 %
Rango de Altitud -500 m~﹢4000 m
Especificaciones Técnicas
Modelo ZGGH10-24
Protector contra sobretensiones según IEC 61643-1 Class Ⅱ; Class Ⅲ
Protector contra sobretensiones según EN 61643-11 Type 2; Type 3
Tensión Máxima de Servicio Continuo Uc  + — -: 45 V DC; -—PE: 0 V
Corriente Nominal de Descarga I(8/20 μs) 5 kA
Corriente Máxima de Descarga Imax (8/20μs) 100 kA
Nivel de Protección de Tensión Up  + — -: 280 V; - — PE: 800 V
Onda Combinada Uoc 10 kV
Corriente Nominal de Carga IL 25 A
Fusible de Respaldo Máximo 25 A gL/gG 
Modo de Conexión Conexión en serie, En paralelo
Modo de Protección + - -; - - PE
Tiempo de Respuesta tA + - -: ≤25 ns; - - PE: ≤100 ns
Sección Transversal del Conductor de Cobre para Terminales de Conexión Cable multinúcleo: 0.2 mm2~2.5 mm2
Cable unifilar: 0.2 mm2~4 mm2
Sección Máxima de Cableado para Interfaz de Señalización Remota 2.5 mm2
Capacidad de los Contactos de Alarma por Señalización Remota AC: 250 V/0.75 A   125 V/3 A    DC: 30 V/2 A
Par de Apriete: Terminales / Interfaz de Señalización Remota 0.5 N•m
Grado de Protección de la Carcasa (Código IP) IP 20
Sistema de Aplicación Système CC
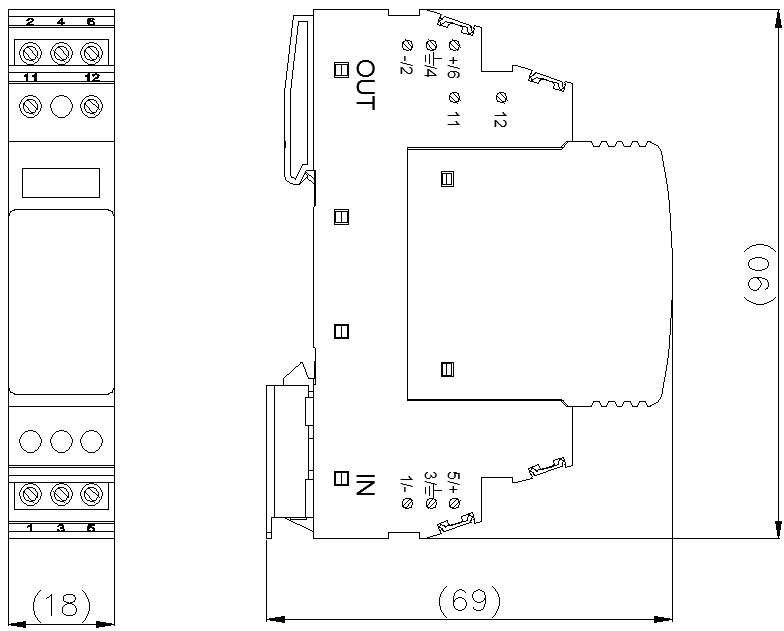
Dimensiones Externas 90 mm×18 mm×69 mm (No incluye terminales de señalización remota)
Forma de Montaje 35 mm Carril estándar (DIN)
Clasificación de Inflamabilidad UL94 V-0
 
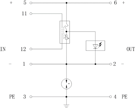
Diagrama Esquemático del Circuito


 
Estructura Externa
 
 
188bet LoL博彩网站 在线体育博彩 威尼斯人网上赌场 澳门威尼斯人app