


Descripción general
ZGG40-800(2+1)PV Conectado en paralelo en sistemas de alimentación de CC o sistemas de generación fotovoltaica, puede utilizarse para la protección de Tipo 2 de inversores en centrales de energía fotovoltaica. Internamente utiliza varistores como elementos de protección y cuenta con un mecanismo de desconexión para la seguridad contra sobrecalentamiento y sobrecorriente, destinado a asegurar la extinción segura del arco de CC en caso de fallo del producto, garantizando que no ocurran incidentes como la combustión. En ausencia de sobretensiones, el protector contra sobretensiones presenta alta impedancia. Cuando ocurren corrientes de sobretensión y sobretensiones, el protector contra sobretensiones responde a una velocidad ≤ 25 ns, su impedancia disminuye continuamente, limitando la tensión en los terminales del protector contra sobretensiones a un nivel bajo. Esto previene daños al equipo por sobretensiones de rayo (directas, inducidas, etc.), sobretensiones de maniobra (causadas por cualquier acción de conmutación, inicio o interrupción de fallos en instalaciones eléctricas, etc.) y sobretensiones temporales (causadas por fallos en sistemas de distribución de baja tensión, acción de condensadores, parada o arranque de motores, etc.).
Característica
1. Los módulos enchufables tienen protección contra inversión de conexión.
2. Alta capacidad de descarga, baja tensión residual, Alta Seguridad y Fiabilidad
3. Protección contra sobrecalentamiento.
4. Indicación de fallo y contacto seco para alarma remota centralizada.
5. Grado de protección de la carcasa IP20, clasificación de inflamabilidad UL 94 V-0.
Estándares Aplicables
EN 50539-11: 2013
Ambiente de Operación
| Rango de Temperatura |
-40 ℃~80 ℃ |
| Rango de Humedad Relativa |
5%~95% |
| Rango de Altitud |
-500 m~﹢4000 m |
Especificaciones Técnicas
| Modelo |
ZGG40-800(2+1)PV |
| Protector contra sobretensiones según EN 50539-11: 2013 |
Type 2 |
| Modo de Característica de Sobrecarga |
Modo de Circuito Abierto |
| Tensión Máxima de Servicio Continuo Uc |
1000 V DC |
| Corriente Nominal de Cortocircuito ISCPV |
1 kA |
| Corriente Nominal de Descarga In (8/20 μs) |
20 kA |
| Corriente Máxima de Descarga Imax (8/20 μs) |
40 kA |
| Nivel de Protección de Tensión Up |
3.8 kV |
| Corriente Residual IPE |
DC: ≤20 μA; AC: ≤500 μA |
| Modo de Conexión |
En paralelo |
| Modo de Protección |
+ — -、+/- — PE |
| Tiempo de Respuesta tA |
≤25 ns |
| Sección Transversal del Conductor de Cobre para Terminales de Conexión |
Cable multinúcleo: 1.5 mm2~25 mm2
Cable unifilar: 1.5 mm2~35 mm2 |
| Sección Máxima de Cableado para Interfaz de Señalización Remota |
1.5 mm2 |
| Capacidad de los Contactos de Alarma por Señalización Remota |
AC: 250 V/0.5 A 125 V/1 A DC: 30 V/0.1 A |
| Par de Apriete: Terminales / Interfaz de Señalización Remota |
2.5 N•m /0.25 N•m |
| Grado de Protección de la Carcasa (Código IP) |
IP 20 |
| Sistema de Aplicación |
Sistema fotovoltaico |
| Dimensiones Externas |
90 mm×54 mm×67 mm (No incluye terminales de señalización remota) |
| Forma de Montaje |
35 mm Carril estándar (DIN) |
| Clasificación de Inflamabilidad |
UL94 V-0 |
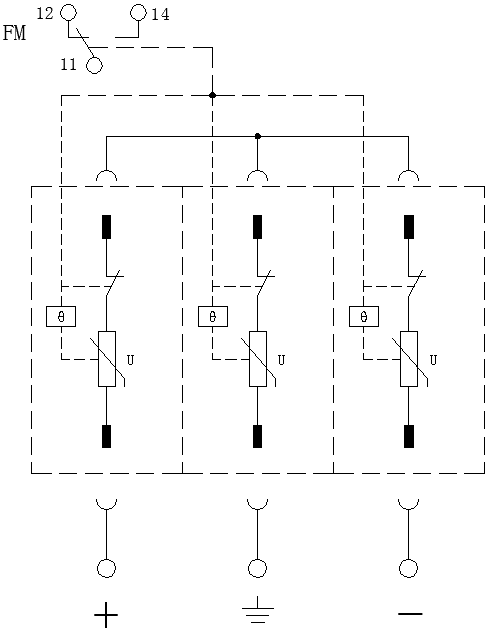
Diagrama Esquemático del Circuito
Estructura Externa