


|
Rango de Temperatura
|
-40 ℃~80 ℃
|
|
Rango de Humedad Relativa
|
5%~95%
|
|
Rango de Altitud
|
-500 m~﹢4000 m
|
|
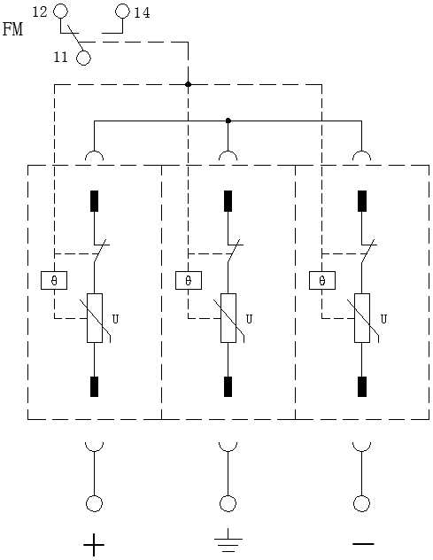
Modelo
|
ZGG40-1000(2+1)PV
|
|
Protector contra sobretensiones según EN 50539-11: 2013
|
Type 2
|
|
Modo de Característica de Sobrecarga
|
Modo de Circuito Abierto
|
|
Tensión Máxima de Servicio Continuo Uc
|
1200 V DC
|
|
Corriente Nominal de Cortocircuito ISCPV
|
1 kA
|
|
Corriente Nominal de Descarga In (8/20 μs)
|
20 kA
|
|
Corriente Máxima de Descarga Imax (8/20 μs)
|
40 kA
|
|
Nivel de Protección de Tensión Up
|
4.0 kV
|
|
Corriente Residual IPE
|
DC: ≤20 μA; AC: ≤500 μA
|
|
Modo de Conexión
|
En paralelo
|
|
Modo de Protección
|
+ — -、+/- — PE
|
|
Tiempo de Respuesta tA
|
≤25 ns
|
|
Sección Transversal del Conductor de Cobre para Terminales de Conexión
|
Cable multinúcleo: 1.5 mm2~25 mm2
Cable unifilar: 1.5 mm2~35 mm2 |
|
Sección Máxima de Cableado para Interfaz de Señalización Remota
|
1.5 mm2
|
|
Capacidad de los Contactos de Alarma por Señalización Remota
|
AC: 250 V/0.5 A 125 V/1 A DC: 30 V/0.1 A
|
|
Par de Apriete: Terminales / Interfaz de Señalización Remota
|
2.5 N•m /0.25 N•m
|
|
Grado de Protección de la Carcasa (Código IP)
|
IP 20
|
|
Sistema de Aplicación
|
Sistema fotovoltaico
|
|
Dimensiones Externas
|
90 mm×54 mm×67 mm (No incluye terminales de señalización remota)
|
|
Forma de Montaje
|
35 mm Carril estándar (DIN)
|
|
Clasificación de Inflamabilidad
|
UL94 V-0
|


IM体育试玩
2026世界杯下注平台
澳门博彩平台
太阳城app下载
威尼斯人网上赌场