皇冠体育

皇冠体育博彩
Productos
 
Descripción general
El protector contra sobretensiones modular de potencia,Está compuesto por MOV, carcasa ignífuga y componentes metálicos, Cuenta con funciones ignífugas, protección contra sobrecorriente y sobrecalentamiento, y alarma remota.. Cuenta con funciones ignífugas, protección contra sobrecorriente y sobrecalentamiento, diseñado para montaje en PCB. Utilizado principalmente para la protección contra sobretensiones de Tipo 2 y Tipo 3 en sistemas de alimentación y distribución de CA/CC de baja tensión y equipos eléctricos.

Característica
Tamaño reducido, alta capacidad de descarga, tiempo de respuesta rápido, sin corriente de seguimiento.

Estándares Aplicables
IEC 61643-11: 2011; EN 61643-11: 2012; IEC 61643-31: 2018; EN 61643-31: 2019

Ambiente de Operación
Rango de Temperatura -40 ℃~85 ℃
Rango de Humedad Relativa 5%~95%
Rango de Altitud -500 m~﹢5000 m
Especificaciones Técnicas
Modelo ZGGS40-890PV
Protector contra sobretensiones según IEC 61643-11: 2011 Class II
Protector contra sobretensiones según EN 61643-11: 2012 Type 2
Número de Puertos 1
Tensión Máxima de Servicio Continuo Uc  680V AC
Frecuencia de Operación 50/60Hz
Corriente Nominal de Descarga In (8/20 μs) 20 kA
Corriente Máxima de Descarga Imax (8/20 μs) 40 kA
Fusible de Respaldo Máximo 80 A gL/gG 
Nivel de Protección de Tensión Up  3.0kV
Modo de Conexión En paralelo sobre PCB
Tipo de Montaje Integrado en placa
Tiempo de Respuesta tA ≤25 ns
Modo de Alarma por Señalización Remota Normal: normalmente cerrado (NC); Fallo: circuito abierto (CA/OC)
Indicación de Estado  Normal: Verde; Fallo: Rojo
Intensidad de contacto del puerto de alarma remota Max 30V DC, 0.1A; Min 5V DC, 0.5Ma; 125V AC, 1A
Casos de Uso Interior
Sistema de Aplicación TN; TT, IT: L-N
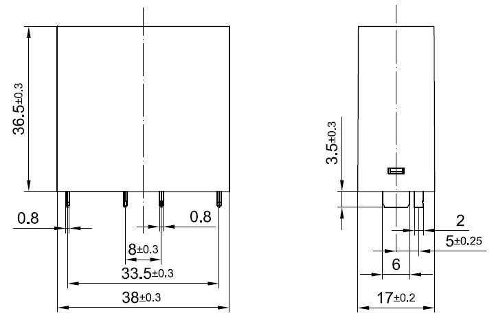
Dimensiones Externas 38 mm×36.5 mm×17mm
Material de la Carcasa UL94V-0
Protector contra sobretensiones según IEC 61643-31:2018 ClassⅡ
Protector contra sobretensiones según EN 61643-31:2019 Type 2
Tensión Máxima de Servicio Continuo Ucpv 890V DC
Corriente Nominal de Cortocircuito Iscpv 1000A
Corriente Nominal de Descarga In (8/20 μs) 20kA
Corriente Máxima de Descarga Imax (8/20 μs) 40kA
Nivel de Protección de Tensión Up  3.0kV
Tiempo de Respuesta tA ≤25 ns
Modo de Protección + — -, +/- — PE
Sistema de Aplicación Sistema fotovoltaico
 
Diagrama Esquemático del Circuito

Estructura Externa
 
                                                                        

Plano de dimensiones del diseño

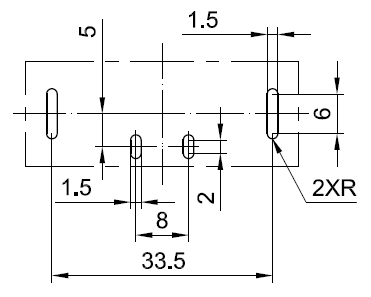
Dibujo de referencia para taladros en PCB
澳门美高梅博彩官网 沙巴体育官网 澳门博彩平台 世界杯下注 网上赌搏平台网址大全