


|
Plage de température
|
-40 ℃~80 ℃
|
|
Plage d’humidité relative
|
5 %~95 %
|
|
Altitude
|
-500 m~﹢4000 m
|
|
Modèle
|
ZGG40-275(4+0)hs
|
ZGG40-320(4+0)hs
|
ZGG40-385(4+0)hs
|
ZGG40-440(4+0)hs
|
|
SPD conformément à la norme IEC 61643-11
|
Class Ⅱ
|
|||
|
SPD conformément à la norme EN 61643-11
|
Type 2
|
|||
|
Tension de fonctionnement continue maximale Uc
|
275 V AC
|
320 V AC
|
385 V AC
|
440 V AC
|
|
Fréquence de fonctionnement
|
50/60 Hz
|
|||
|
Courant de décharge nominal In (8/20 μs)
|
20 kA
|
|||
|
Courant de décharge maximal Imax (8/20 μs)
|
40 kA
|
|||
|
Niveau de protection contre la tension Up
|
1.4 kV
|
1.6 kV
|
1.8 kV
|
2.2 kV
|
|
Fusible de secours maximal
|
80 A gL/gG
|
|||
|
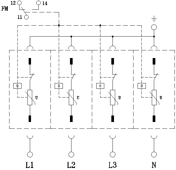
Mode de connexion
|
En parallèle
|
|||
|
Mode de protection
|
L-PE, N-PE
|
|||
|
Temps de réponse tA
|
≤ 25 ns
|
|||
|
Section du fil conducteur en cuivre connecté à la borne
|
Câble multi-conducteur : 1.5 mm2~25 mm2
Câble monoconducteur : 1.5 mm2~35 mm2 |
|||
|
Surface maximale de connexion de l'interface de télésignalisation
|
1.5 mm2
|
|||
|
Intensité du contact d'alarme de télésignalisation
|
AC: 250 V/0.5 A 125 V/1 A DC: 30 V/0.1 A
|
|||
|
Moment de torsion : borne de raccordement/interface de télésignalisation.
|
2.5 N•m /0.25 N•m
|
|||
|
Indice de protection de l'enveloppe (code)
|
IP 20
|
|||
|
Système d’application
|
TN-S
|
|||
|
Type d’installation
|
35 mm Rail standardisé
|
|||
|
Niveau ignifuge
|
UL94 V-0
|
|||


pg电子游戏下载
CQ9游戏
森林舞会游戏机
十大网络彩票平台大全
新葡京博彩官网