

Résumé
ZGXM-MZ2J-24c Ce parafoudre est destiné à la protection des dispositifs, par exemple, les réseaux d'interconnexion pour contrôle industriel, les interfaces RS485/422, les lignes spécialisées, les circuits de commande et d'instrumentation automatiques, les fils de données, ainsi que les appareils téléphoniques et les télécopieurs. Le dispositif adopte une protection à deux niveaux : le premier niveau décharge le courant, tandis que le second niveau se repose sur la tension de clamping. En cas d'une impulsion électromécanique de foudre ou d'une surtension transitoire sur la ligne de transmission, le parafoudre détourne le courant de fuite et le courant d'appel vers la terre et maintient la surtension de foudre et de surtension dans une plage autorisée par l'équipement, garantissant ainsi la sécurité de l'équipement.
Caractéristique
Le présent produit se caractérise par une capacité de décharge élevée, une réponse rapide (en : ns) , Ses modules sont de type enfichable à chaud, avec une taille compacte et un faible niveau de protection, met en connexion par les cosses à bornes et monté facilement sur rail standard.
Normes applicables
GB/T 18802.21
Environnement d’utilisation
|
Plage de température
|
-40 ℃~85 ℃
|
|
Plage d’humidité relative
|
≤90% (25℃)
|
|
Altitude
|
Pas plus que 4000m
|
Spécifications techniques
| Modèle |
ZGXM-MZ2J-24c |
| Catégorie d’impact |
C2 et D1 |
| Tension de service |
24 V |
| Tension de fonctionnement continue maximale |
33 VDC |
| Courant nominal |
1 A |
| Courant de décharge nominal 8/20 μs |
10 kA |
| Courant de décharge total 8/20μs |
20 kA |
| Courant de décharge d'impulsion 10/350μs |
1 kA |
Niveau de protection contre la tension
(8/20μs) |
L-L |
55 V |
| L-PE |
600 V |
Niveau de protection contre la tension
(1kV/μs) |
L-L |
45 V |
| L-PE |
300 V |
| Résistances en série/fil |
1.0 ohms |
| Fréquence de fin |
7.8M Hz |
| Condensateur |
≤ 1.0 nF |
| Broche protégée |
Eux paires de fils (1, 2; 3, 4) |
| Zone de pression |
0.2 mm2 ~ 4 mm2 |
| Matériaux de l'enveloppe |
PA66 |
| Type d’interface |
Borne de raccordement |
| Moment de torsion: borne de raccordement |
0.5 Nm |
| Couleur |
RAL 7035 |
| Indice de protection de l'enveloppe |
IP20 |
| Niveau ignifuge |
UL94 V-0 |
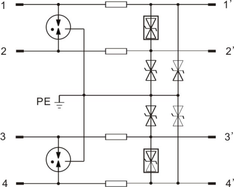
Schéma du principe de circuit
Structure externe
Dimensions extérieures : 93mm×69mm×12mm (Longueur × Largeur × Hauteur)