
|
Plage de température
|
-40 ℃~80 ℃
|
|
Plage d’humidité relative
|
5 %~95 %
|
|
Altitude
|
-500 m~﹢4000 m
|
|
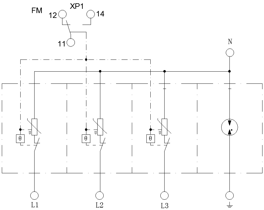
Modèle
|
ZGG40-1000(3+1)
|
|
SPD conformément à la norme IEC 61643-1
|
Class Ⅱ
|
|
SPD conformément à la norme EN 61643-11
|
Type 2
|
|
Tension de fonctionnement continue maximale Uc
|
L-N: 1000 V AC; N-PE: 255 V AC
|
|
Courant de décharge nominal In (8/20 μs)
|
L-N: 20 kA; N-PE: 100 kA
|
|
Courant de décharge maximal Imax (8/20 μs)
|
L-N: 40 kA; N-PE: 160 kA
|
|
Niveau de protection contre la tension Up
|
L-N: 4 kV; N-PE: 2.5 kV; L-PE: 5.5 kV
|
|
Fusible de secours maximal
|
80 A gL/gG
|
|
Mode de connexion
|
En parallèle
|
|
Courant de fuite
|
≤ 20 μA
|
|
Mode de protection
|
L-PE
|
|
Temps de réponse tA
|
≤ 100 ns
|
|
Section du fil conducteur en cuivre connecté à la borne
|
Câble multi-conducteur : 1.5 mm2~25 mm2
Câble monoconducteur : 1.5 mm2~35 mm2 |
|
Surface maximale de connexion de l'interface de télésignalisation
|
1.5 mm2
|
|
Intensité du contact d'alarme de télésignalisation
|
AC: 250 V/0.5 A 125 V/1 A DC: 30 V/0.1 A
|
|
Moment de torsion : borne de raccordement/interface de télésignalisation
|
2.5 N•m /0.25 N•m
|
|
Indice de protection de l'enveloppe (code)
|
IP 20
|
|
Dimensions extérieures
|
90 mm×144 mm×68 mm (Sauf la borne de télésignalisation)
|
|
Type d’installation
|
35 mm Rail standardisé
|
|
Niveau ignifuge
|
UL94 V-0
|

十大外围足彩网站排行榜
im电竞官网平台
开云体育官网
皇冠体育app下载
CQ9游戏