


|
Plage de température
|
-40 ℃~80 ℃
|
|
Plage d’humidité relative
|
5 %~95 %
|
|
Altitude
|
-500 m~﹢4000 m
|
|
Modèle
|
ZGGH10-24
|
|
SPD conformément à la norme IEC 61643-1
|
Class Ⅱ, Class Ⅲ
|
|
SPD conformément à la norme EN 61643-11
|
Type 2, Type 3
|
|
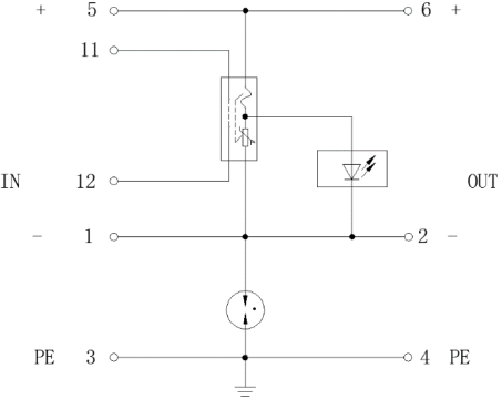
Tension de fonctionnement continue maximale Uc
|
+— -: 45 V DC; -—PE: 0 V
|
|
Courant de décharge nominal In (8/20 μs)
|
5 kA
|
|
Courant de décharge maximal Imax (8/20 μs)
|
100 kA
|
|
Niveau de protection contre la tension Up
|
+ — -: 280 V; - — PE: 800 V
|
|
Onde composite Uoc
|
10 kV
|
|
Courant de charge nominal IL
|
25 A
|
|
Fusible de secours maximal
|
25 A gL/gG
|
|
Mode de connexion
|
En série, En parallèle
|
|
Mode de protection
|
+ - - ; - - PE
|
|
Temps de réponse tA
|
+ - -: ≤ 25 ns; - - PE: ≤ 100 ns
|
|
Section du fil conducteur en cuivre connecté à la borne
|
Câble multi-conducteur : 0.2 mm2~2.5 mm2
Câble monoconducteur : 0.2 mm2~4 mm2 |
|
Surface maximale de connexion de l'interface de télésignalisation
|
2.5 mm2
|
|
Intensité du contact d'alarme de télésignalisation
|
AC: 250 V/0.75 A 125 V/3 A DC: 30 V/2 A
|
|
Moment de torsion : borne de raccordement/interface de télésignalisation
|
0.5 N•m
|
|
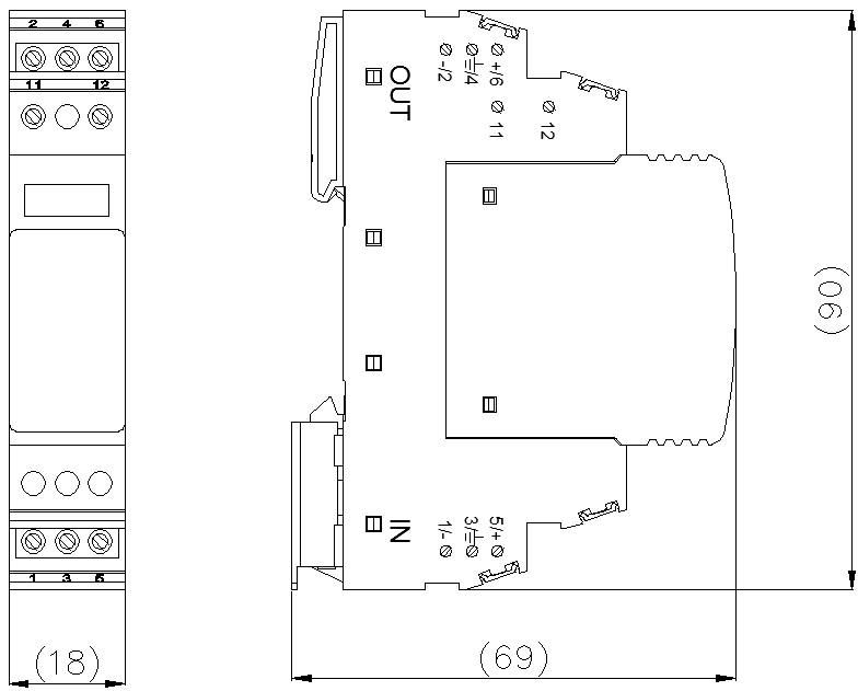
Indice de protection de l'enveloppe (code)
|
IP 20
|
|
Système d’application
|
Système CC
|
|
Dimensions extérieures
|
90 mm×18 mm×69 mm (Sauf la borne de télésignalisation)
|
|
Type d’installation
|
35 mm Rail standardisé
|
|
Niveau ignifuge
|
UL94 V-0
|

世界杯投注
IM体育
全球十大外围足球平台
世界杯投注官网,世界杯压球网站
澳门美高梅博彩官网