


|
Plage de température
|
-40 ℃~85 ℃
|
|
Plage d’humidité relative
|
5 %~95 %
|
|
Altitude
|
-500 m~﹢4000 m
|
|
Modèle
|
ZGGS40-670PVs1
|
|
SPD conformément à la norme IEC 61643-11: 2011
|
Class II
|
|
SPD conformément à la norme EN 61643-11: 2012
|
Type 2
|
|
Nombre de ports
|
1
|
|
Tension de fonctionnement continue maximale Uc
|
510V AC
|
|
Fréquence de fonctionnement
|
50/60Hz
|
|
Courant de décharge nominal In (8/20 μs)
|
20 kA
|
|
Courant de décharge maximal Imax (8/20 μs)
|
40 kA
|
|
Fusible de secours maximal
|
80 A gL/gG
|
|
Niveau de protection contre la tension Up
|
2.3 kV
|
|
Mode de connexion
|
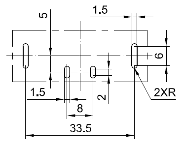
Gamme à monter sur carte PCB et mise en parallèle
|
|
Mode d'installation
|
Gamme à monter sur carte
|
|
Temps de réponse tA
|
≤ 25 ns
|
|
Mode d'alarme de télésignalisation
|
État normal : normalement fermé ; état défaillant : circuit ouvert
|
|
Intensité du contact d'alarme de télésignalisation
|
30 V DC, 0.1 A; 125 V AC, 1 A
|
|
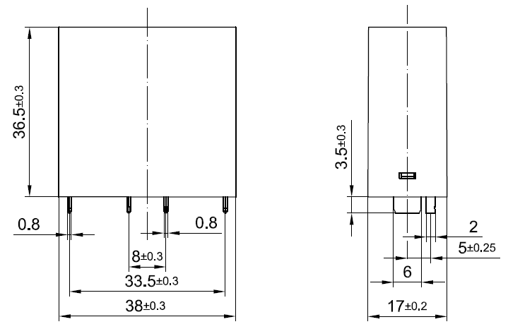
Indice de protection de l'enveloppe
|
IP 20
|
|
Scénarios d’application
|
À l’intérieur
|
|
Système d’application
|
TN, TT, IT, L-N
|
|
Matériaux de l'enveloppe
|
UL94V-0
|
|
SPD conformément à la norme EN 50539-11: 2013
|
Type 2
|
|
Tension de fonctionnement continue maximale Ucpv
|
670 V DC
|
|
Courant nominal de court-circuit Iscpv
|
1000 A
|
|
Courant de décharge nominal In (8/20 μs)
|
20 kA
|
|
Courant de décharge maximal Imax (8/20 μs)
|
40 kA
|
|
Niveau de protection contre la tension Up
|
2.3 kV
|
|
Temps de réponse tA
|
≤ 25 ns
|
|
Mode de protection
|
+ — -, +/- —PE
|
|
Système d’application
|
Système photovoltaïque
|


世界杯压球官方网站
2026世界杯赌球
澳门银河博彩
澳门威尼斯人体育